上海滬工閥門廠(集團)有限公司
本書共分 7 章。主要介紹國內外工業管道及閥門的現狀與發展;工業管道及閥門維修、安裝必備的基本知識;管道布置和常用竹材、管件及附件;介紹管通和閥門的修理及安裝;管道的試壓與防腐保溫;管道故障及維護。附錄還介紹管路系統圖形符號和圖例。
本書可供管道、閥門機械設備維修人員和廣大工程技術人員參考使用。
序言
由中國機被工程學會設備與維修工程分會主編,機械工業出版社 1964 年 12 月出版發行的 《機修手冊》(8 卷 10 本),深受設備工程技術人員和廣大讀者的歡迎,曾于 1978 年和 1993 年兩次再版和 6 次印刷,對我國設備管理和維修工作起到了積極的作用。
隨著科技發展和知識更新,設備的更新換代,《機修手冊》的內容已不能適應時代發展的要求,應該重新編寫和修訂。但是,由于工程浩大,力不從心。為滿足廣大設備管理和維修工作者的需要,經機械工業出版杜和中國機械工程學會設備與維修工程分會共同商定,從《機修手冊》中選出部分常用的、有代表性的機型,充實新技術、新內容,以叢書的形式重新編寫。
從 2000 年開始,中國機械工程學會設備與維修工程分會組織四川省設備維修學會和中國第二重型機械集團公司、中國航天工業總公司第一研究院、兵器工業集團公司、沈陽市機械工程學會、陜西省設備維修學會和陜西鼓風機廠,上海市設備維修專業委員會和上海重型機器廠、天津塘沽設備維修學會和大沽化工廠、大連海事大學、武漢鋼鐵公司氧氣有限責任公司、廣東省機械工程學會和廣州工業大學、山西省設備維修學會和太原理工大學等單位進行編寫。
從 2002 年開始.到現在已經出版 19 種。其中,2002 年出版了《液壓與氣動設備維修問答》、《空調制冷設備維修問答》、《數控機床故障檢測與維修問答》、《工業鍋爐維修與改造問答》4 種;2003 年出版了《電焊機維修問答》、《機床電器設備維修問答》、《電梯使用與維修問答》3 種;2004 年出版了《風機及系統運行與維修問答》、《發生爐煤氣生產設備運行與維修問答》、《起重設備維修問答》、《輸送設備維修問答》4 種;2005 年出版了《工廠電氣設備維修問答》、《密封使用與維修問答》、《設備潤滑維修問答》3 中。2006 年出版了《工程機械維修問答》、《工業爐維修問答》2 種。2007—2008 年出版了《泵類設備維修問答》、《段壓設備維修問答》、《鑄造設備維修問答》3 種。2009 年已出版與將出版的有《空分設備維修問答》、《壓力容器設備管理與維護問答》、《工業管道及閥門維修問答》。
正在編寫的有《礦山機械設備維護問答》、《焦爐機械設備安裝與維護問答》。
我們對積極參加組織、編寫和關心支持叢書編寫工作的同志表示感謝,也熱烈歡迎從事設備與維修工程的行家里手積極參加叢書的編寫工作,使這套叢書真正成為從事設備維修人員的良師益友。
編寫說明
管道及閥門在國民經濟建設和人民生活中是不可缺少的設施。它涉及的領城較為廣泛,例如:熱能傳遞,給排水,各種氣體,液體和物料輸送。均要靠管道的輸送來完成。
從 20 世紀 50 年代開始,管道的接口采用焊接結構代替螺紋聯接。管道的材質從鑄鐵和碳鋼單一品種發展為多品種。僅從鋼的品種而言,就有碳鋼、合金鋼、耐熱鋼、耐酸鋼、不銹鋼等。有色金姚管材有鋁及鋁合金、銅及銅合金、鉛及鉛合金等。非金屬管材有硬質聚氯乙烯管、水泥管、石棒水泥管、耐酸陶瓷管等許多品種。焊接工藝技術也隨著管材有了新的發展。因此,甘道及閥門維修、安裝也有了新的要求和國家新的標準檢驗。為此,中國機械工程學會設備與維修工程分會和機械工業出版社組織編寫了《工業管道及悶門維修問答》。
《工業管道及閥門維修問答》 是結合我們的實踐。對《機修手冊》第 5 卷第 6 篇工業管道的修理進行了修訂。并增加了管道及閥門維修、安裝必備的基本知識,以及新檢修標準和先進維修方法,對管道及閥門的使用、維護、檢修都有一定指導作用。這是管道及閥門的管理、選用、維修、安裝人員必備的一本新書。
本書第 1、3、7 章由王鳳喜編寫,第 2、4 章由黃進旗編寫,第 5 章由朱佺編寫,第 6 章由楊曉濱編寫,附錄由徐游編寫,孫先強也參加了部分編寫。全書由蔣世忠,曾翰林審稿。本書在編寫過程中得到中國策二重型機械集團公司總經理石柯,副總經理曾祥東。裝備部長郭國英等的熱情幫助和支持,在此表示感謝。
第 1 章 國內外工業管道及閥門的現狀與發展
1-1 管道完整性管理技術的最新發展如何?
答:近年來,國外在管道完整性管理方面開展了大量的研究和實踐。在 2006 年召開的國際管道會議上,介紹了美國管道完整性管理的最新進展和發展趨勢,包括管道完整性管理的進展與實踐、直接評價技術、內檢測技術進展等方面,并對我國開展管道完整性管理工作提出了建議。
(1)概述
國際管道會議(International Pipeline Conference)是由美國機械工程師學會(ASME)主辦的全球油氣管道工業界的盛會。2006 年 9 月 24~29 日,國際管道會議在加拿大卡爾加里市舉行。管道完整性管理 PIM(Pipeline Integrity Management),在此會議上依然是國際管道工業關注的熱點,論文多大 95 篇,內容涉及管道完整性管理及技術的各個方面,體現了管道完整性管理的最新進展。
根據此會議情況,對美國危險液體管道完整性管理檢查工作、直接評價技術和內檢測技術的最新進展和發展方向進行了分析,并針對上述方面對我國開展管道完整性管理工作提出建議。
(2)對危險液體管道完整性管理工作的檢查
2002 年 11 月,美國國會通過了專門的 H.R.3609 號法案—《管道安全增進法》,并于 2002 年 12 月 27 日 經總統簽署后生效。此法案要求管道運營商在出現安全后果嚴重地區實施管道完整性管理計劃,按照管道長度對管道進行了分類:長度超過 804km(500mile)的為一類管道,長度小于804km(500mile)的為二類管道。要求運營商在 2004 年 9 月 30 日前,完成一類管道 50% 的基線評價;在 2005 年 8 月 16 日前,完成二類管道 50% 的管道基線評價。
為檢查管道運營商對法案的執行情況及進一步推進完整性管理,美國管道和危險物質管理局(PHMSA)從 2002 年 9 月開始,對危險液體管道完整性管理的實施情況進行了首輪檢查。在首輪檢查中,PHMSA 完成了所有一類管道以及部門二類管道的檢查。截止 2005 年 12 月,并完成了 175 個危險液體管道的首輪檢查,管道合計 273104km(169841mile),其中以確定為出現安全后果嚴重地區的為 121534km(75581mile)。在總結首輪檢查經驗的基礎上,從 2005 年中期開始,PHMSA 及其州屬管道安全機構開始對危險液體管道進行第二輪檢查,重點在于落實首輪檢查中發現的需要改進的地方以及高風險因素。
1)檢查內容:根據《風險管理示范綱要》、《系統完整性檢查指導綱要》,以及 APLI160《危險液體管道完整性管理》標準,對管道運營商建立完整性管理體系的要求。檢查內容包括:①檢查完整性管理方案的程序、執行情況和文檔編制;②檢查管道運營商完成的完整性評價;③檢查內檢測結果及問題識別;④檢查修復和減緩計劃;⑤確認是否按法規要求的時間進行修復;⑥檢查試壓記錄是否按聯邦法規 49CFR495 執行,檢查運營商對所有實驗失效的評估;⑦確認預防和減緩措施是否得到執行;⑧檢查組進一步對資產、實際修復、直接評價及完整性管理方案相關的內容進行全面監督。
2)檢查結果:絕大多數管道運營商已經建立并執行了完整性管理體系,基本掌握了后果嚴重地區的管段,并按照規則要求,對這些地區進行了完整性評價。截止 2005 年 12 月,已經完成了 86% 的危險液體管道的基線評價,只有極少數運營商未在最后時限前完成 50% 管段的完整性評價。在首輪檢查中,PHMSA 對 1200 個需要“立即修復”的缺陷處理情況進行了核實。除需要立即修復或 60 天、180 天之內必須修復的情況外,運營商也修復了大量的其他異常情況,運營商也修復了大量的其他異常情況。行業數據顯示,2004 年共有 11674 種情況被修復或減緩,包括影響后果嚴重地區和非影響區域。
PHMSA 總結首輪檢查經驗,就以下方面提出了改進意見:①數據整合。有效的數據整合是完整性管理的關鍵,目前已經開發了一些工具和方法,對不同類型數據進行組合分析,但這方面的工作還處于開始階段。②對內檢測結果的響應。部分運營商沒有利用內檢測的結果進行分析,未及時根據內檢測結果制定并執行修復或減緩計劃,從而影響了對內檢測結果的有效利用。③風險分析。多數運營商已應用風險分析技術,對進行基數評價的管道進行排序;但一些運營商所運用的風險模型,還沒有覆蓋管道風險的全部范圍,仍然需要改進分析方法以覆蓋所有風險,尤其是要整合所有數據來恰當地評價管道風險。④預防和減緩措施。首輪檢查中發現許多運營商缺乏預防和減緩措施的分析,包括對撿漏能力及緊急情況處理能力的評估。在已經開始的第二輪檢查中,還未見到明顯的改進。⑤持續的評估和評價。完成基線評價后,在如何合理確定周期評價的時間間隔方面,需要進行進一步研究,應著重于分析運營商進行周期評價的實施效果。⑥完整性管理實施細則。APLI160 是完整性管理的通用標準,運營商還應建立實施細則,以增強完整性管理的有效性。⑦完整性決策和分析的技術基礎。運營商仍然沒有充分的利用歷史數據,來決定風險因素和再評價;另外,對歷史數據不充分情況下的決策分析方法有待改進。PHMSA 希望有更多的技術和方法,作為完整性決策和分析的基礎。⑧完整性程序文件。文件編制的完整性和質量,是完整性程序的關鍵要素。許多運營商對評價記錄、修復記錄、文件的編制過程、技術驗證、決策基礎缺乏足夠的重視。
(3)直接評價技術的進展
內檢測、試壓、直接評價是管道完整性評價的三種主要方法。盡管智能檢測器在不斷更新,但仍有許多管道不能使用內檢測設備,試壓法是針對一些特定管道的評價方法,但要求管道在停輸狀態下使用。對無法進行內檢測和試壓的管道,可以選擇使用直接評價技術進行完整性評價。與內檢測、試壓等傳統評價方法相比,直接評價具有成本低、易實施等特點。近年來,許多管道運營商在完整性管理方案中,已經列入了直接評價技術,例如:在 Gasunie 公司管轄的 12000km 的高壓管道中,僅有 50% 適合進行管道內檢測,該公司從 2005 年開始,對不適合內檢測的管道進行直接評價。
1)直接評價方法及相關技術:直接評價是一種把管道的物理特性、操作歷史與管道的檢測、檢查結果結合起來,采用不開挖檢測技術(一般為地上或間接檢測)、并根據檢測結果進行開挖和檢查,來確定管道完整性的方法。一般分為預評價、間接檢測、直接檢查、后評價四個步驟:①預評價。通過數據收集和分析、確定直接評價是否可行,劃分評價區域和選擇間接檢測工具。②間接測評。主要為地面檢測,目的是確定涂層缺陷嚴重程度、其他異常及管道上已發生或可能發生腐蝕的區域。③直接檢查。根據間接檢查結果的分析,來選擇開挖點位置和數量,并在開挖后對管道表面直接檢查。④后評價。驗證直接評價方法的有效性,并確定下一次評價的時間間隔。
直接評價按照管道的威脅因素,分為外腐蝕直接評價(ECDA)、內腐蝕直接評價(ICDA)和應力腐蝕開裂直接評價(SCCDA)。
ECDA 方法已較成熟。2002 年,美國腐蝕工程師協會(NACE)提出了 ECDA 方法的推薦標準 NACE RPO502-2002《管道外部腐蝕直接評價推薦作法》。
ICDA 方法分為三類,分別適用于干氣、濕氣和液體管道。目前針對干氣的 ICDA 方法,還有還有許多技術難題要克服。
SCCDA 方法步驟與 ECDA 相似,重點是識別容易發生 SCC 的情況和評估可疑的管道系統。此方法適用于高 pH 值的 SCC(傳統的)和接近中性 pH 值的 SCC(新型 SCC)。目前,北美已著手建立應力腐蝕開裂的直接評價方法。針對應力腐蝕開裂壓力試驗間隔時間的方法的研究也有了新的進展。
直接評價方法是實施,需要間接檢測方法作為技術支持。為提高檢測可靠性,NACE 要求運營商使用兩種或更多間接檢測工具,已對檢測結果相互驗證。
常用的間接評價及時有直流電位梯度檢測技術(DCVG)、密間隔電位檢測技術(CIPS)、交流電流衰減技術、電壓差技術等。
直接點位梯度檢測技術用來探測和查明涂層缺陷。其原理是:在施加了陰極保護埋地管線上,電流經過土壤介質,流入管道防腐層破損而裸露的管道處,在管道防腐層破壞處地面上形成一個電壓梯度場。在接近破損裸露點部位,電流密度增大,電壓梯度增大。一般情況下、電壓梯度與裸露面積成正比例關系該技術能檢測出較小的防腐層破損點、并可以精確定位,誤差為 ±15cm。這是世界上比較先進的埋地管道防腐層缺陷測試技術。
密間隔電位檢測技術是當今尖端的檢測技術之一,是一種用來提供管道對地電位與距離關系的地面檢測技術,能指示管道沿線的陰極保護效果,指出缺陷的嚴重性,并自動采集數據。其缺點是工作人員需攜檢測設備沿管道連續測量,其檢查結果不能指示圖層的剝離情況,還可能受到干擾電流的影響使用范圍受到一定的限制。
交流電流衰減技術采用等效電流原理,來評價防腐層絕緣電阻。當外加交流電流流過管道時,在管道周圍產生相應的磁場。當管道外防腐層完好時,隨著管道的延伸,電流較平衡,無電流流失現象或流失較少,其管道周圍產生的磁場比較穩定;當管道外防腐涂層破損或老化時,在破損處就會有電流流失現象,隨著管道的延伸,其在管道周圍磁場的強度就會減弱,這是目前國內外應用比較成熟的一種檢測方法,可長間距快速探測整條管線的防腐層狀況,也可縮短間距對損破點進行定位。
電流差檢測技術原理是:在管道與大地之間施加的交變電壓信號,通過管道防腐層破損點處時,會流失在大地土壤中;因而電流密度隨著遠離破損點的距離而減小,在破算點的上方地表面形成了一個交流電壓梯度,經過濾波放大后,顯示檢測結果。
根據 2006 年國際管道會議上戰士的最新研究結果,美國西南研究院和 CC 技術公司,開發了應用薄膜腐蝕傳感器與移動無線技術相結合的檢測管道內腐蝕的技術;中國石油天然氣集團公司,開發了應用超聲導波測量管道涂層內腐蝕技術;PETROBRAS 公司開發了應用聲學發射技術的直接評價方法;Trans Canada 公司開發出了應用磁學的金屬損失檢測工具等。目前,結合 DCVC、CIPS、后處理差分全球定位系統(dGPS)三種技術的新型檢測設備正在研發之中。
2)直接評價技術標準:美國腐蝕工程師協會(NACE)正在或已經編制了ECDA、DG-ICDA(干氣)、WG-ICDA(濕氣)和 SCCDA 標準。ECDA 標準已經完成,也會并入該項規則。NACE 關于 DG-ICDA 的標準有望在近期出臺;WG-ICDA 和液體管道 ICDA 的初稿還處于編制的前期階段,有望在 NACE 2007年國際腐蝕會議上進行討論。
3)專題研究工作:為加強完整性相關技術的研究,美國國會加大了對 PHMSA 管道安全研發項目的支持力度。經過過會的授權,PHMSA 重點資助了一些研發項目,以加強美國能源運輸和配送管道的安全性、可靠性和合乎環境要求的操作工藝的解決方案。從 2002 年開始,PHMSA 一共支持了 25 個與直接評價技術相關的研發項目,一些工業組織、管道運營商、管理者和研究機構共同為這些項目提供了近 1400 萬美元的資助。這些項目由美國、加拿大和歐洲的研究機構分別承擔,重點在于擴大直接評價的應用范圍,以及在直接評價過程中各項完整性技術的整合。國際管道研究會(PRCI)、美國天然氣協會(AGA)和美國能源部州際天然氣協會(INGAA)等組織,也對許多企業和項目進行了贊助。
這些專題研究包括了實際效果研究、間接檢測設備應用效果、流體力學模型、直接評價的不正確性和可靠性、對實踐的總結等,具體有以下幾個方面:①對 ECDA 和內檢測數據進行對比,以對 ECDA 方法進行驗證;通過實例論證 NACE 發布推薦的有效性;對復合管、光管、巖石區和其他難以進行 ECDA 評價的情況進行試驗;對不合適進行 ECDA 評價的條件進行研究;針對難以進行 ECDA 的區域開發機器人系統。②檢查驗證 DG-ICDA 作為預測內腐蝕位置的方法,開展對 WG-ICDA 的初步研究。③評估導波技術的有效性,研究對遠距離超聲導波信號的增強及區域擴大可能性的評估;遠距離超聲導波與計算機終端的數據處理和通信系統結合技術;加大地面檢測管壁金屬損失工具的研發力度,使之能與智能檢測器技術抗衡。
PHMSA 和美國管道安全代表協會(NAPSR),聯合組織美國能源部州際天然氣協會(INGAA)、美國天然氣協會(AGA)、美國腐蝕工程師協會(NACE)、美國民用天然氣協會(APGA)舉辦了論壇,專題討論與天然氣完整性相關的直接評價技術。PHMSA 向管理者和行業推介直接評價研發的現狀,提供直接評價實施的典型案例。并討論 NACE 有關 ECDA、ICDA、SCCDA 標準的進展情況。
直接評價技術將不斷為現在難以評價的區域,提供改進了的解決方案。直接評價不僅作為一種制藥的評價工具,同時作為智能檢測器和試壓的輔助工具,將具有更加廣泛的應用前景。
(4)內檢測技術的進展以及存在的問題
隨著完整性管理的發展,需要精確可靠的數據,來執行先進的完整性評價計劃和優化方法;對內檢測器的精確性、可靠性、可重復性、可對比性以及高分辨率等方面,提出了更高的要求。各種檢測技術不斷發展,應用各種原理的管道智能內檢測不斷更新,內檢測技術取得了實質性的進展,但仍然存在一些問題。
1)裂紋內檢測技術:目前最適合于檢測裂紋的技術是超聲波方法,脈沖波在管道內表面和表面反向產生周向橫波;如果脈沖遇到裂紋,他就會原路返回并被變換器接收,由此檢測到該裂紋的存在。其主要優點是能夠提供對管壁的定量檢測,具有較高的數據精度和置信度;缺點是需要耦合劑,應用于輸氣管道時較復雜。
德國 ROSEN 公司研發出一種新型高分辨率超聲波檢測器。該探測器使用電磁聲波傳感檢測技術(EMAT),提供了能有效和精確地檢測裂紋的新方法。研究人員花費 2 年的時間,驗證 EMAT 傳感器的技術和設計,從實驗室獲得的大量數據,證明了 EMAT 作為探測管道應力腐蝕開裂和其他結構缺陷的可行性。這一新型檢測器已經通過了工業試驗,可以判斷 SCC、涂層剝落、其他裂紋缺陷、異常溝槽、人為缺陷等。該技術最大優點是借助電子聲波傳感器,代替了傳統的壓電傳感器,使超聲波能在一種彈性導電介質中得到激勵,不需要機械接觸或液體耦合,是適用于天然氣管道的超聲裂紋檢測器,其檢測指標見表 1-1。
| 工具參數 | 檢測參數 | ||||||||
| 溫度范圍/℃ | 最大工作壓力/MPa | 速度范圍/(m/s) | 最長操作時間/h | 彎曲半徑 | 距離/km | 壁厚/mm | 最小檢測臨界值/mm | 軸向經度/(°) | |
| 深度 | 長度 | ||||||||
| 0~65 | 15 | 0.3~5 | 72 | 3D | 120 | 5~20 | 1 | 20 | ±18 |
注:D 為管徑
傳統的裂紋探測器可檢測的裂紋長度最小臨界值為 30mm。由表 1-1 可見,新型檢測器的裂紋長度最小臨界值達到 20mm。
2)同時進行金屬損失和裂紋的內檢測技術;金屬損失及裂紋是管道的兩大主要缺陷,存在于管道的整個生命周期內。在現有技術條件下,管道運營商必須分別使用裂紋探測儀和金屬損失檢測儀,對管道的金屬損失和裂紋進行檢測,這會花費巨大的精力和財力。
2006 年的國際管道會議上,美國 GE-P Ⅱ 和德國 NDP 公司分別推出了一種先進的內檢測器。應用新一代超聲、電子技術與相控陣技術相結合,對超聲波傳感器進行了全新的設計,把金屬損失、壁厚及裂紋檢測功能融為一體,實現了一次通過可以同時檢測出管道的腐蝕和裂紋。
該技術的特點是:電子設施控制的超聲波束允許一次通過檢測金屬損失和裂紋;優化的傳感器、超聲波束及大量的測量通道,實現了覆蓋整個管壁圓周的高分辨率;可敏感地探測小的凹陷和腐蝕造成的裂紋。
相控陣技術與傳統超聲技術相比,報本改進在于:傳統無損檢測技術使用的超聲波束的形狀及傳播方向.被每個傳感器所固定,每個獨立的傳感器被固定排列,如果測量條件改變,則必須改變傳感器的排列類型;相控陣技術所使用的傳感器的排列和發射模式是程序化的,每個獨立的傳感器具有可以發射不同方向及不同聲束特性的功能,當測量條件發生變化時,超聲波束的設置全部由計算機界面執行操作,不需要再對傳感器進行人工校準。
GE-P Ⅱ 公司的一次通過可同時檢測金屬損失及裂紋的新一代超聲波檢測器,已經在 2005 年 3 月應用于歐洲一條管徑為 609.6mm(24in)的成品油管道,并于 2005 年 9月,對北美一條管徑為 863.6mm(34in)的原油管道進行了檢測。這兩條管道以前均使用過金屬損失檢測器和裂紋檢測器,與以往的檢測數據進行對比表明,可以是圓周分辨率從 8mm 提高到 3.3mm。相控超聲技術內檢測器不僅分辨率高,節約時間和費用,同時檢測數據具有高效的精確度和可靠度。
3)機械損傷檢測技術:機械損傷來自對管道表面的直接沖擊,包括巖石與管道的直接接觸、不適當的建設行為以及第三方挖掘等。有些損傷在未被發現情況下會維持相當長的時間,從而進一步形成腐蝕或裂紋,有可能導致管道以后的失效。目前,機械損傷已經成為導致管道失效的主要原因之一。管道運營商希望通過使用適當的內檢測工具,可以檢測各種原因造成的、影響管道有效內徑的幾何異常現象,并確定其程度和位置。
最近兩年,幾何檢測要求提高了,其中對凹陷尺寸的最小要求是:高分辨率的幾何工具應該能夠探測和定位深度大于等于 6.35mm(0.25in)的凹陷,而再用的幾何檢測器現狀是:對橢圓變形和大的變形難以提供凹陷評價的有效信息,基于 78 例現場挖掘證實,其探測率僅為 32%,無法滿足要求;對凹陷和橢圓變形的特征仍然沒有一個適當的缺陷評價技術。對凹陷和機械損傷的高質量內檢測過程,應能提供要求的信息,如凹陷的幾何形狀和數據,這些都對探測器機械損傷的內檢測提出了更高的要求。
漏磁(MFL)技術應用于管道內檢測,已有超過 40 年的時間,一般用來探測腐蝕造成的金屬損失,是目前最適宜的腐蝕檢測技術;但由于機械損傷產生的漏磁信號,不能很好地判斷的 MFL 技術很少用于檢測機械損傷帶來的缺陷,在識別第三方破壞方面效果不佳。來自凹陷的漏磁信號的解釋困難由以下原因造成:機械損傷的漏磁信號在幾何和應力的作用下是重疊的;機械損傷區域的應力分布十分復雜,包括塑性變形和殘余應力。
由于樓此技術被認為是最具有成本效率的內檢測方法。管道運營商、管理者和研發人員都希望提高漏磁技術檢測機械損傷的靈敏度,從而使漏磁探測技術有效應用于機械損傷缺陷的識別。目前該項工作有了以下新的發展:①德國 ROSEN 公司開發出用于內檢測器的新一代幾何傳感器,可以提供高精度的管道內部輪廓的幾何數據,如能探測到的最小凹陷是 4.47mm(0.176in)。這種傳感器結合了非接觸遠距離測量法與測徑器手臂的優勢,允許傳感器在高動態運行載荷作用下工作;該傳感器與導航器、高分辨率漏磁檢測技術相結合,推進了機械損傷檢測工具的發展。②加拿大 BJ 公司開展了基于三軸漏磁信號是識別凹陷特性的研究。應用三軸樓此工具檢測小凹陷(深度少于直徑 1%)的技術已經有了重大進展,其檢測能力已在現場挖掘中得到了驗證。該項技術目前具有國際領先水平。
4)金屬損失檢測技術:過去幾年里,人們重點關注了金屬腐蝕的最小檢測深度;而現在對于金屬損失普遍關注的,是對腐蝕引起的金屬損失的探測、定位和尺寸測定。早期的漏磁檢測工具僅能探測大面積的腐蝕或腐蝕群。由于檢測其設計、傳感器、電子學和其他要素的改進,新型檢測工具已經具有探測小缺陷能力,預測的缺陷尺寸也更加精確,并通過多種途徑進行了很大的改進,如大多數低分辨率檢測器,測量漏磁場僅在一個單一方向,現在高分辨率檢測器的檢測范圍是兩個或是三個相互垂直的方向,取樣率、特定距離收集的數據樣本和時間間隔也大大增大。
加拿大 BJ 公司應用三軸漏磁技術的軸向磁場 MFL 檢測器研究,有了一定的進展。在三軸傳感器中,有三個單獨的、互相垂直的傳感方向;軸向傳感器記錄沿管道的平行方向;徑向傳感器記錄管道垂直方向;環向傳感器記錄圓周方向。第四個傳感器稱為旋轉傳感器,被用來識別內外部的區別,也幫助識別和進行特征分類。這類高分辨率漏磁檢測器,可識別的金屬損失特征有金屬增長和金屬損失、復雜腐蝕情況、延長的軸向缺陷、制造缺陷、建設缺陷、焊縫裂紋、凹陷、折皺、圓鑿、圓周裂紋等。一般認為凹陷、折皺等管道凹陷無法被 MFL 識別,因此漏磁技術中關于非腐蝕特征的進一步研究變得更加重要,這仍是目前漏磁技術研究的方向
5)內檢測技術存在的問題及發展方向:經過多年應用,內檢測技術已經成為評價管道缺陷和確保管道完整性的首選技術。高分辨率的內檢測器(幾何、腐蝕、裂紋)可探測、定位、測量并顯示管壁上的異常。這些異常可以表示為幾何變形(凹陷、圓鑿、橢圓變形、折皺、彎曲)、腐蝕、裂紋和其他缺陷。但是、研究世界上最近發生的危險液體和天然氣管道事故,卻發現一些內檢測結論為可繼續運行的管道,在內檢測后的 6~12 個月內就發生了失效事故。
2005 年,美國管道安全辦公室發布的數據表明,這些經過檢測卻很快出現故障的管道,失效原因中,缺陷未被探測到的占 51%;對缺陷特征低估的占 32.3%;錯誤辨識的占 16.7%。這種現象對內檢測器及相應的內檢測器技術提出了質疑,文獻指出了內檢測器面臨的問題和發展的問題。
內檢測其已經從純粹的檢測工具,轉變為一個精確地測量手段,目前面臨的問題如下:①管道測量的目標處在一個復雜、連續、變化的內部環境(壓力、溫度、腐蝕等)和外部環境(周圍土壤、腐蝕、第三方干擾等)。②內檢測器運行過程中,其關鍵部件可能會失效,但無法及時更換。③智能檢測器的運行參數不穩定,如速率、磁場、檢測期間傳感器故障。④實際存在的缺陷數量大于被內檢測器檢測到的數量,缺陷的實際大小一般大于內檢測器給出的數據。⑤創建一個內檢測方法與對比標準非常困難。
分析以上情況,內檢測技術應該在以下方面進行改進:①需要進一步改進內檢測器的基本原理和技術,以改進現有內檢測技術存在的未探測到、低估危險及錯誤辨識等方面的性能。②對內檢測數據進行整體的統計分析,確定內檢測遺漏和錯誤辨識的缺陷的數量、尺寸和位置,評價內檢測器檢測到的缺陷的實際數量和尺寸。③對各種內檢測數據的差異進行對比分析,以對測量錯誤進行歸納、驗證檢測器、現場和計算機數據。
(5)工作建議
完整性管理是保證管道安全運行的有效手段。中國管道行業已經初步建立起完整性管理的理念,開始制定完整性實施計劃及相關技術標準,并已經對陜京管道、廣東 LNG 管道等進行了內檢測實踐,取得了良好的效果。為了更好地開展完整性管理,現結合國際上完整性管理的最新進展,提出以下建議。
1)提高對直接評價的重視程度。由于內檢測技術適用范圍的局限性,相當數量的管道需要通過直接評價技術進行完整性評價。應該加強對直接評價技術的研究,適當引進直接評價技術,對不適合內檢測評價的管道進行完整性評價,提高完整性管理技術水平。
2)制定并監督實施強制性的完整性評價計劃。在國內缺乏強制性法律的情況下,各大石油公司應該制定包括直接評價和內檢測等評價方法在內的完整性評價計劃,提出強制性要求,使管道完整性管理從試點逐步納入規范化管理的軌道。
3)加強行業數據庫建設。注重整個管道行業的管道失效等數據收集和分析,為完整性管理提供參考;在開展內檢測實踐的基礎上、加強對內檢測數據和結果的對比研究,提高對內檢測技術的認識。
4)加大對完整性管理技術的研究力度。密切跟蹤國外最新技術發展狀態,有計劃地開展直接評價技術和內檢測技術的研究,加大研究投入,培育具有自主知識產權的評價技術。
1-2 十一五期間中國鋼管市場有哪些需求?
答:十五期間中國鋼管市場消費結構的變化,反映了十一五期間中國鋼管發展的經濟背景,分析了中國鋼管市場主要用戶的要求,從宏觀層面對鋼管和鋼材市場的動態比例關系進行了評估,對十一五期間中國鋼管市場需求驚醒了預測。
(1)十五期間中國鋼管頁的發展情況
十五期間,中國鋼管產量由 1153.10×104t/a 上升到 2614.11×104t/a,五年間上升 1461.10×104t/a,年均增加 292.2×104t/a。由于產能不斷增加,從十五初期的生產能力不足,已轉為生產能力過剩。中國鋼管十五時期的產量和構成比例見表 1-2。
| 年份 | 焊管/104t/a | 無縫管/104t/a | 鋼管總產量/104t/a | 鋼材總產量/104t/a | 鋼管產量占鋼材產量的比例(%) | 焊管占鋼管的比例(%) | 無縫鋼管占鋼管的比例(%) |
| 2001 | 640.36 | 512.70 | 1153.06 | 16170.00 | 7.13 | 55.54 | 44.46 |
| 2002 | 830.59 | 610.00 | 1440.59 | 19404.00 | 7.42 | 57.66 | 42.34 |
| 2003 | 1030.77 | 733.90 | 1764.67 | 24082.00 | 7.33 | 58.41 | 41.59 |
| 2004 | 1301.26 | 848.05 | 2149.31 | 29903.00 | 7.19 | 60.54 | 39.46 |
| 2005 | 1567.06 | 1047.05 | 2614.11 | 37117.02 | 7.04 | 59.95 | 40.05 |
由表 1-2 可知,五年來,鋼管產量和表觀消費量平均以 22.46% 和 19.77% 的幅度高速增長。2003 年以后,鋼管自給率逐漸呈供大于求的局面,即自給率大于百分之百進口管。中國鋼鐵工業協會指出:管材在鋼材表觀消費總量中的比例,2000 年為 6.61%,2005 年為 6.42%,變化不大。其中,無縫鋼管由 2000 年的凈出口 3×104t,轉為 2005 年凈出口 71.4×104t;焊接鋼管由 2000 年的凈出口 3×104t,轉為 2005 年凈出口 124.5×104t。管材在國內市場的國產化率已達 95.5%。
十五期間中國鋼管業的發展情況表明,中國鋼管業已進入供大于求的新階段。這給十一五期間中國鋼管業的發展以新的啟示。
(2)十一五期間鋼管市場需求分析和評估
1)十一五期間中國鋼管業發展的經濟背景:處于中國工業化由中期階段向后期階段的過渡時期,是中國鋼管業發展的拐點。這意味著鋼管產量和消費量由高速增長,過渡到持續、快速增長,鋼管業發展的增速放慢。當我國工業化基本實現時,鋼管產量和消費產量將到達歷史峰值。這個時期,中國經濟仍然只要是靠投資和外貿拉動,由粗放型增長方式向集約型增長方式過渡。十一五期間中國鋼管業就處在這樣兩個過渡時期的發展階段。
十一五期間規劃經濟發展的態勢是又好又快,其著力點是創新、節能和環保。至于 GDP 增長率,十一五前兩年(2006 年和 2007年)預計分別是 10.7% 和 8%。平均為 9% 左右。預計后三年可能是 7.5%~8%。十一五期間 GDP 增長率平均約為 8%。中國鋼鐵協會預測 2010 年我國粗鋼消費達到 4.9×108t,鋼材消費達到 4.7×108t。這個預測是在總結十五期間預測的經驗教訓基礎上得出的。
2)十一五期間鋼管市場的需求評價:十一五期間,中國能源需求強勁是中國鋼管行業發展的直接動力。預測 2010 年將消費(25~33)×108t 標煤,十一五期間能源建設將投資 3.5 萬億元。到 2020 年,我國能源工業累計投資將達到 10 萬億元,從 2005 年起,每年投資 7000 多億元。其中 2020 年煤炭生產能力將達到 28×108t,年均投資 700 億元;2010年石油產量將達到 1.8×108t,年均投資 500 億元;2010 年天然氣產量達到 1100×108m³,年均投資 300 億元;2010 年電力裝機,包括火電、水電、喝點、天然氣發電、風電等新能源發電達到 7×108Kw,年均投資 5000 多億元。
①煤炭用鋼管。煤炭用鋼管的數量比較大,用途也比較廣。按鋼管占 20% 來估計,支護用鋼管 2006~2010 年共用 990×104t;礦用帶式輸送機拖輥等設備和排水、通風用鋼管 130×104t。由此可見,煤炭用鋼管共計約 1120×104t。
②石油天然氣鋼管。石油天然氣用鋼管的主題市場是中石油、中石化和中海油三家石油巨頭,其用途主要是油井管、油氣長輸管線鋼管。
2006~2010 年共計需油井管 1800×104t。石油行業十一五期間油井管和管線鋼管用量之和約 3800×104t。
③化工用鋼管。十一五期間無縫鋼管、焊管等共計 900×104t。
④電力用鋼管,包括火電用鋼管(蒸汽管、高壓給水管等)、核電用管(傳熱管)、水電用鋼管(焊接鋼管、壓力管)、風電用鋼管(焊管)、電網用鋼管(輸電塔一般用角鋼改為用焊管)。以上電力用鋼管 2006~2010 年總計需求量 575×104t。
⑤鋼結構用鋼管。鋼結構的發展同城市化有密切的關系。華東、中南仍是我國鋼結構消費的主要區域,西北、西南地區的消費比重呈增長勢頭。十一五期間,中國城鎮化率將由 2005 年的 43%,上升到 2010 年的 47%,農村人口轉移到城鎮約 8545×104 人,年需建筑用鋼約 2655×104t。其中,東南部 844×104t,中部 1046×104t,西部 765×104t。五年共需建筑用鋼材約 1.3275×108t。
國內一般以上的鋼材用于建筑行業,推算出 2006~2010 年,鋼結構用鋼管需要 600~700×104t。
⑥房地產用鋼管。房地產用鋼管包括三個方面:一是鋼結構,見⑤中分析;二是城市地下給排水、熱力、通風管道;三是住宅用來水鍍鋅鋼管。十一五期間城市地下水及熱力管網,年需鋼管平均約為 50×104t;地面房屋用鍍鋅鋼管平均約需 800×104t;十一五期間房地產用鋼管量約 4250×104t。
⑦汽車工業用鋼管。2005 年我國汽車產量為 500×104 輛,2006 年達到 650×104 輛,2007 年可達 850×104 輛,2010 年將超過 900×104 輛。關于汽車用剛量的評估,按 2005 年汽車用鋼管 24×104t(其中無縫管 16.91×104t,焊管 7.09×104t)來推算,十一五期間汽車用鋼管量約 160×104t。
⑧造船工業用鋼管。目前世界造船市場處于發展的高峰期。在世界海運貿易增長的推動下,尤其是在中國,石油、礦石進口持續快速增長和集裝箱貨運增速上升的推動下,2005 年我國制船行業產量突破 1222×104t 載重噸,同比增長 41.86%,占世界產量的 18.2%,2006 年造船產量為 1500×104t 載重噸,用鋼材 600×104t,其中管材占 7%,約為 42×104t。2006~2010 年我國造船達到每年平均 830×104t 載重噸,總計為 4152×104t 載重噸。按 2006 年船用鋼管量為基數,推算十一五期間我國造船工業用鋼管量為 250×104t。
⑨集裝箱行業用鋼管。我國集裝箱行業在產銷上已連續 14 年居世界第 1 位,生產集裝箱所用鋼材為耐候鋼,主要有熱軋薄板(1.6~6.0mm)、型鋼和焊管。預計 十一五期間集裝箱需求焊管將達 105×104t。
⑩機械工業用鋼管。中國機械工業有龐大的內需支持,同時其有明顯的國際比較優勢,是今后國際重點振興的產業。到 2010 年將投資 3555 億元,占國民經濟總投資的 4%,增長速度為 47%,產銷總體呈平穩發展趨勢。
機械工業的機床工業,歐、亞、美三足鼎立,歐洲勢強,德、日、美爭雄。機械工業發展如何,標志著一個國家技術水平的高低。
機械工業鋼材用量的主要行業有:重型礦山機械、工程機械、通用機械、農業機械、石油及化工機械。此外,還有零部件制造業,增速為 20%;制冷及空調機械制造業,增速為 15%~20%;環保機械制造業增速為 17%;文化辦公機械制造業增速為 15%;食品及包裝機械制造業增速為 10%~15%;液壓、氣動、密封件制造業增速為 10%~15%;印刷機械制造業增速為 10%;軸承制造業增速為 8%~10%;內燃機制造業增速為 5%~8%;工程機械制造業增速為 5%。
據不完全統計,機械行業 2004 年消耗鋼材 4500×104t,2005 年消耗鋼材 5200×104t。2006 年機械工業產銷同比增長 15%,由此,預測十一五期間機械工業用鋼量為 2200×104t 左右。
機械制造業用管以大中直徑、中厚壁碳結鋼和低合金鋼管、無縫鋼管為主。用無縫鋼管代替實心段坯制造缸、筒、軸、輥、滾筒、軸承、管模等中空體和結構體,可節約鋼材 20%~30%。又如壓力容器、高壓氣瓶年需無縫鋼管約 10×104t。機械用管中,大中直徑無縫鋼管約占 30%。近幾年,年消耗無縫鋼管(150~160)×104t,約占無縫鋼管消費的 15%。美國的機械結構管消費比例,1997 年為 29.4%,2002 年保持在 24%。隨著我國機械裝備業的發展,我國鋼管用于機械結構管的比例還會增加,將達到 20% 左右。
⑪輕工業用鋼管。輕工業是我國凈出口量較大的行業,2005 年出口順差為 1400~1500 億元,增長幅度較大。由于國際競爭激烈,需要鋼材品種升級換代。
輕工業用鋼管涉及自行車、影劇院、體育場館、會議廳設備(座椅等)、健身器材、家電、家具、醫療機械、小五金、旅游用品等。2005 年自行車用鋼材 185×104t,其中焊管約 110×104t,由此,預測十一五期間輕工業用鋼管約 880×104t。
⑫鐵路(車輛)用鋼管。十一五期間將加大綜合交通運輸體系投資力度投資總額 65219 億元增長 18.6%。盡管如此,與國際交通運輸發達國家相比,仍由較大差距。從路網密度來看,美國每萬平方千米國土面積就有鐵路 200km,印度有 211km。我國 2005 年年底全國鐵路總營業里程為 7.5×104km,每萬平方千米地面積鐵路僅為 78.11km。
十一五期間國家將繼續加大鐵路網建設,將重新線 1.7×104km,相當于八五、九五和十五總和的 1.3 倍。鐵路車輛由于主要干線提速,需要新購機車 7300 臺,到 2010 年需新購貨車 22×104 輛,新購客車 2.6×104 輛。因此,未來幾年的鐵路車輛用鋼市場潛力巨大。
火車車廂用鋼管主要包括三個方面:一是車廂鋼結構件,例如用方矩形鋼管制作箱梁;二是配管;三是為了提速、減重和安全,用鍛軋的空心軸代替實心軸。目前年需低和金鋼車軸(15~20)×104t。
綜上所述,十一五期間鐵路(車輛)用鋼管約 200×104t。
⑬港口建設用鋼管。我國鋼鐵工業正在向沿海地區發展,如鞍鋼、首鋼、唐鋼在沿海地區建設鋼鐵鋼鐵大廠,配套的港口建設正在發展之中。港口建設和跨海大橋都需要大量打樁用鋼管。例如,杭州灣跨海大橋用的打樁規格為 ø1016mm×16mm,管長 72m,鋼管用量很客觀。螺旋焊管用于樁管較合適,一部分直縫埋弧焊管也可用于樁管。同時,鐵路建設中橋梁也很多,以京滬高速鐵路為例,就有 11 座特大橋需要大量打樁用管。預計十一五期間港頭、碼頭、橋梁需要用作樁管的鋼管月 250×104t。
十一五期間我國鋼管出口量預計約 3000×104t。
1-3 俄羅斯 ø1420mm 直縫焊管生產線如何?
答:俄羅斯聯合鋼鐵股份有限公司韋克松鋼鐵廠建成的 ø1420mm 直縫埋弧焊管生產線,主要設備有德國 SMS MEER 公司提供,采用 JCO 成形工藝,可生產單焊縫和雙焊縫鋼管。由銑邊機、預彎機、步進成型機、預焊機、水壓試驗機、無損檢測等設備組成。生產的 ø1420mm 焊管力學性能檢測試驗表明,完全滿足油氣輸送管線要求。
| 鋼管直徑/mm | 鋼級 | ||||
| K52 | K55 | K60 | K65 | K80 | |
| 530 | 33 | 30 | 27 | 25 | 21 |
| 630 | 38 | 36 | 33 | 30 | 24 |
| 420 | 41 | 39 | 35 | 33 | 26 |
| 820 | 41 | 41 | 40 | 39 | 30 |
| 1020 | 45 | 44 | 42 | 40 | 32 |
| 1220 | 48 | 47 | 46 | 42 | 40 |
| 1420 | 50 | 49 | 48 | 44 | 40 |
ø1420mm 焊管生產線大口徑焊管的生產能力為 40×104t/a,其主要生產設備如下:
1)銑邊機。為后續焊接保證最精確的板邊幾何參數。
2)預彎機。彎力 24MN,可同時從全長鋼板兩側逐段彎曲板邊。
3)步進成型機(JCO)。彎力 65MN,可同時在管坯全廠范圍內的多個彎曲點上,將各坯段預彎向管坯中央,最終形成斷面。
4)預焊機。在正式焊接前進行保護氣體定位焊接。
5)自動焊機。采用埋弧多弧焊接工藝焊接工藝(3~5個電弧),進行內外焊縫的自動焊接。液壓擴徑機(擴徑頭擴張力為 21GN),可在全管長范圍內逐漸進行鋼管擴徑、定徑,保證鋼管的幾何尺寸精度并消除內應力。
6)水壓試驗機。最大試驗壓力為 55MPa。
7)無損檢測設備。用于焊縫和罐體自動超聲波檢測、手動超聲波檢測、X 射線檢測、磁粉檢測等。
2005 年 4 月,韋克松鋼鐵廠第四鋼管廠這套新生產線投產。再制造大口徑厚壁管時,采用了謝維爾(北方鋼公司)、Dillinger(德國)、Posco(韓國)等公司生產的寬厚熱軋板,并與這些公司簽訂了長期供貨合同。ø1420mm 鋼管的力學性能見表 1-4.測試鋼管的壁厚為 18.7mm 和 15.7mm,其熱軋板分別有俄羅斯謝維爾公司和德國 Dillinger 鋼廠供貨。
| 板材供貨廠 | 測試管數量/根 | 壁厚/mm | 剛拉強度/MPa | 屈服強度/MPa | 屈強比(%) | 伸長率(%) | ||||||||
| 最小值 | 最大值 | 平均值 | 最小值 | 最大值 | 平均值 | 最小值 | 最大值 | 平均值 | 最小值 | 最大值 | 平均值 | |||
| 謝維爾鋼公司 | 47 | 18.7 | 593 | 677 | 621.7 | 515 | 612 | 548 | 65 | 80 | 68.3 | 20 | 27 | 22.7 |
| Dillinger | 42 | 15.7 | 609 | 693 | 649.3 | 488 | 625 | 539.9 | 78 | 90 | 83.1 | 20 | 23.5 | 20.9 |
2006 年 4~5 月,俄羅斯天然氣科學技術研究院,對該廠 1420 機組生產的 X70 級管線鋼管 ø1420mm×26.7mm 和 K60 級 ø1020mm×17mm 單焊縫鋼管分別進行了試驗。
試驗中,在鋼管試樣表面制造了人工缺陷,然后在液壓試驗機上按要求進行試驗,并對鋼管的韌性進行了評價。
試驗結果表明,所生產的鋼管可用于施工溫度 -60℃,運行溫度 -20℃,工作壓力為 9.8MPa 的油氣輸送管道的敷設和大修。這一結論已得到全俄天然氣科學技術研究院和全俄鋼鐵科學技術研究院的正式認可。此外,天然氣工業公司驗收委員會在 2005 年 7 月 14 日 1 號會議記錄中,也對該廠 ø1420mm×26.7mm 鋼管的優良性能給予了肯定。
現已制定出天然氣工業及石油輸送管道用“大口徑直縫焊管生產技術條件”。韋克松鋼鐵廠已開始對石油天然氣公司供應這種鋼管,并對試驗設備進行了更新,以便對鋼級 K70(X70),壁厚 50mm 的大口徑直縫焊管的力學性能進行可靠的檢驗。新添的檢驗設備由 Zwick 公司提供,包括拉伸試驗機、落錘撕裂試驗機和沖擊試驗機。
除了 ø1420mm 大口徑直縫焊管上產線外,韋克松鋼廠還建立了鋼管外防腐生產線,內防腐生產線于 2006 年 10月 投產。這兩條鋼管內、外防腐生產線的設備均由荷蘭 Bauhuis 公司提供。
聯合鋼鐵公司韋克松鋼鐵廠,是第一個批量生產出 ø1420mm 大口徑直縫焊管的俄羅斯制管企業。俄羅斯巴頓焊接研究所,礦山技術監督局、重型機械廠、烏克蘭國立黑色冶金設計院等單位的專家和一些外國專家,參與了 ø1420mm 大口徑單直縫焊管的工藝設計、設備開發及投產調試。
目前該廠發展趨勢良好,經營狀況穩定,投資重點向著提高生產率和產品質量方面發展。這些將使人們堅信,韋克松鋼鐵廠在互利合作的基礎上,能夠為石油天然氣行業提供大量優質的管線鋼管,并已準備參與“俄北—歐洲天然氣管道”和“東西伯利亞—太平洋天然氣管道”的建設。
1-4 閥門用金屬波紋管的選型與應用如何?
答:介紹金屬波紋管在截止閥、閘閥、調節閥、安全閥和球閥等閥門中的應用、設計和選型。對閥門用金屬波紋管在使用中出現的出現的問題給出了解決辦法。
(1)概念:隨著世界范圍內環保意識的增強,人們對閥門的密封要求越來越高,特別是該裝置以及石油和化工等特殊場合,要求閥門必須實現“零泄漏”。因此,蘇聯、德國、美國和日本等國家率先將金屬波紋管應用于閥門領域,使波紋管閥門作為一個新產品首先在航空、航天、艦船和核工業等軍工領域得到應用,并迅速在石油和化工等行業得以推廣。
金屬波紋管的作用主要是實現測量、連接、轉換、補償、隔離、密封和減震等功能。在波紋管截止閥和閘閥中的作用只要是隔離、密封和補償功能,在自力式調節閥中,還與彈簧配套起到輸出力和開區關閉閥門的作用。
用于波紋管閥門的金屬筆文官只要有液壓成形和焊接成形兩種,是根據實際使用的閥門閥體高度、位移量、耐壓能力以及剛度要求綜合考慮選擇何種形式的金屬波紋。金屬波紋管的材料主要是奧氏體不銹鋼以及高溫合金鋼等,材料的選擇主要是根據閥門實際使用介質腐蝕性和使用溫度決定的。
由于近年來國內閥門行業發展非常迅速,如何在波紋管閥門設計時選擇合適的金屬波紋管成為行業上迫切需要解決的問題。
(2)術語:在對金屬波紋管設計選型時,首先要明確金屬波紋管的行業術語。
1)波紋管:一種彈性、薄壁、有多個橫向波紋的管殼零件。
2)波紋管組件:由兩個或兩個以上零件組成,其中之一是波紋管,波紋管是一個或多個串聯,其他是法蘭等配件。
3)壁厚:成形波紋管的原始金屬管的管壁厚度,對多層波紋管則是各層壁厚的總和。
4)形程:已原始長度為基點,波紋管壓縮位移與拉伸位移之和。
5)扭曲:長波紋管進行軸向壓縮時產生的柱失穩。
6)公稱壓力:與波紋管機械強度有關的設計給定壓力。
7)公稱載荷:正常工作條件下允許的最大載荷或滿量程值。通常是預期設計值。超載載荷一般限定在額定載荷的 125%~150%。
8)額定位移:額定載荷下引起的位移,是正常使用條件下允許產生的工作位移。
9)波紋管剛度:使波紋管產生單位位移所需要的力,設計計算得出的剛度稱為公稱剛度或額定剛度。一般情況,公稱剛度不直接受用實際值,而是產品原型經過測試后的修正值。
10)一次循環:波紋管隨閥桿從全開到全閉再到全開的運動過程。
11)循環壽命:波紋管在規定壓力、溫度和軸向行程下往復運動而不破換的最大循環次數。相同產品的壽命與波紋管工作狀態、循環次數、頻率、壓力和溫度等有關。
12)有效面積:彈性元件在單位壓力作用下,位移為零時轉換的集中力的大小。但有效面積隨壓力增加而變化,因此具有不恒定性,在力平衡式儀表中,要配對篩選,做到有效面積盡量一致。
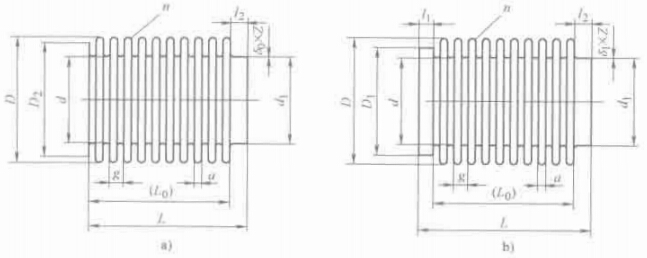
(3)結構
1)U 形波紋管:常用 U 形波紋管結構如圖 1-1 所示。波紋管端部接口形式如圖 1-2 所示。接口表示方法為外配合用 W(圖 1-1a 中的 d1 尺寸)、沿波切邊用 QD(圖 1-1a 中 D2 尺寸)、內配合用 N(圖 1-1b 中 D1 尺寸)。推薦采用圖 1-2a、b、c 端部接口形式。

圖 1-1 常用波紋管結構要素

圖 1-2 波紋管端部接口形式
2)波紋管組件典型結構:保溫管組件典型結構如圖 1-3 所示。

圖 1-3 波紋管組件典型結構
(4)選型
1)波紋管閥門典型結構:應用波紋管組件是為閥桿和閥體工藝流體之間提供一個可軸向變形的金屬隔套,形成動密封,以消除閥桿處的泄漏。裝有波紋管組件的閥門典型結構如圖 1-4 所示。

圖 1-4 裝有波紋管組件的閥門典型閥桿密封結構
選型要求:①根據閥桿的直徑選擇波紋管內徑,波紋管的內徑應大于閥桿直徑 1.5mm。波紋管的外徑根據波紋管內徑來選擇。外徑和內徑通過外徑與內徑的比值相聯系,一般情況下,外徑與內徑的比值為 1.3~1.5。②波紋管的壁厚、層數、波紋數及長度等應能滿足波紋管的耐壓、行程、循環壽命等要求。一般情況下,壓力越大,波紋管的壁厚越厚,為了增大位移或者降低波紋管剛度,提高壽命,可以采用降低單層壁厚、增加波紋管層數的辦法實現。③應設計導向結構,以防止波紋管的扭曲。同時還應避免波紋管與閥桿或閥體之間的局部接觸,以防止磨損和過早失效。應設計防扭轉結構,防止波紋管扭轉變形。④設計閥門時,應限制波紋管壓縮和拉伸的行程,以防止波紋管承受超出循環壽命試驗限定的壓縮位移和拉伸位移。一般情況下,波紋管的行程不應超過自由長度的 25%,否則會影響波紋管的循環壽命。特別是高溫高壓環境下的波紋管閥門。⑤波紋管采用與閥門相同的壓力和溫度等級。波紋管應能承受主體閥門 38℃ 條件下 1.5 倍的公稱壓力的壓力試驗。進行壓力試驗時,焊縫不能開裂、泄漏,波紋管不應發生扭曲。⑥波紋管組件材料應在允許的使用溫度范圍內選擇,同時波紋管用材料具有良好的成形性能、焊接性能與介質的相容性。
3)閥門用波紋管選型標記:按照波紋管應用閥門公稱尺寸不同分類,根據 GB/T 1047-2005 中的公稱尺寸系列規定,波紋管應用閥門的工程尺寸可分為:15mm、20mm、25mm、32mm、40mm、50mm、65mm、80mm、100mm、125mm、150mm、200mm、250mm 等。

圖 1-5 波紋管標識
(5)閥門用波紋管的檢驗:閥門用金屬波紋管的檢驗項目主要有表面質量、幾何尺寸、密封性、壓力機循環壽命等。
1)表面質量:在標準照明條件下,目測觀察波紋管表面及外形、其質量應滿足 JB/T 6169-2006 的規定。
2)幾何尺寸:用分度值為 0.02mm 的卡尺或其精確度相當的其他量具和儀器,檢驗波紋管的幾何尺寸和公差應符合圖樣要求。圖樣未要求的公差應符合表 1-5 的要求。
| 序號 | 工程尺寸名稱 | 允許公差 |
| 1 | 波紋管外徑 D | ±1/2IT17 |
| 2 | 波紋管內徑 d | ±1/2IT17 |
| 3 | 端部配合直徑 D1、 D2、 d1 | h13、H13 |
| 4 | 端部配合長度 L1、L2 | ±1/2IT17 |
| 5 | 有效長度 L0 | ±1/2IT17 |
| 6 | 總長度 L | ±1/2IT17 |
3)密封性檢驗:由承制方組焊的波紋管組件應進行密封性檢驗,檢驗可用氣泡檢漏法。波紋管及其組件內沖入 0.6MPa 的壓縮空氣或其他無腐蝕性非可燃潔凈的氣體,保壓 3min,在水槽中檢查不應有泄漏現象。也可根據用戶要求用氦質譜檢漏儀檢漏,不應呈現可探測出的滲漏。
4)壓力試驗:壓力試驗可在專用設備或閥門上進行。實驗用水的氯離子含量不超過 25×10-7。按 JB/T 9092-1999 的規定,波紋管組件在室溫或 38℃ 條件下,以 1.5 倍公稱壓力進行水壓試驗。
每個波紋管組件應固定在某一長度,此長度為常規閥門殼體試驗時閥門開啟位置的長度。在實驗過程中應防止波紋管拉伸和壓縮。壓力施加應與波紋管工作時受壓方式一致。進行壓力試驗時,焊縫不能開裂或泄露,波紋管不應發生扭曲。
5)循環壽命試驗:可在專用設備或閥門上進行試驗,當主題閥門需要時,應按照相關標準進行高溫循環壽命試驗。
循環的頻率應考慮不正常的快速循環可能產生的過熱。循環頻率不應超過每秒一次。
循環試驗應在室溫或 38℃ 時的公稱壓力下進行。加壓方式同壓力試驗一樣。
每個波紋管組件咋循環試驗之后應進行密封性試驗,不應呈現可探測的滲漏。
除合同另有規定,波紋管的循環壽命應符合表 1-6 的規定。
| 閥門規格 | 最小循環壽命/次 | ||
| 公稱壓力/MPa | 公稱尺寸/mm | 閘閥 | 截止閥 |
| PN≤14.0 | DN≤50 | 2000 | 5000 |
| 50<DN≤100 | 2000 | 5000 | |
| DN≤100 | 1000 | 2000 | |
| PN>14.0 | DN≤50 | 2000 | 2000 |
| 50<DN≤100 | 1000 | 2000 | |
| DN≤100 | 1000 | 1000 | |
6)出廠檢驗:出廠檢驗的項目和順序按表 1-7 規定執行。出廠檢驗中有不合格項的波紋管,為不合格品。
| 序號 | 檢驗項目 | 出廠檢驗 | 型式試驗 |
| 1 | 表面質量 | ● | ● |
| 2 | 幾何尺寸 | ● | ● |
| 3 | 密封性 | ● | ● |
| 4 | 壓力試驗 | — | ● |
| 5 | 循環壽命 | — | ● |
注:● 為必檢項目;— 為不檢項目。
(6)結語:閥門是金屬波紋管是波紋管閥門的核心器件,波紋管的設計及選用,關系到閥門使用安全,特別是波紋管閥門的應用領域都是重點工業領域和軍工領域,在新產品試制是應進行型式試驗,在選用時應適用于閥門使用系統的空況條件及金屬波紋管的結構特性。
1-5 API 標準安全閥的開發與應用如何?
答:介紹 API (American Petroleum Institute 美國石油學會)標準安全閥的規范和特點,論述了在開發該產品中所進行的性能試驗和流場仿真方面的研究工作。提出了推廣應用的建議。
1)概念:我國的安全閥基本上是按照機械行業標準進行設計制造。20 世紀 70 年代以后,隨著我國改革開放和國名經濟迅速發展,從國外引進了大量石油、化工、能源、冶金和紡織等裝置及設備,同時隨機進口了大量國外安全閥。這些安全閥大部分是按照 API 標準設計、制造、試驗和驗收。由于 API 標準安全閥與 JB 安全閥相比,具有顯著的特點和先進性,因而近幾年來,一些企業要求,安裝在易燃、易爆、有害或有毒介質的設備及管道上的安全閥,宜選用 API 標準安全閥。為了適應各類裝置對安全閥的需求,對 API 標準安全閥進行了探討和研究。
(2)特性
1)相關標準:與 API 標準安全閥相關的常用標準和規范如下。
API RP 520 煉油廠泄壓裝置的定徑、選擇和安裝
第Ⅰ部分 定徑和選擇
第Ⅱ部分 安裝
API Std526 鋼制法蘭泄壓閥
API Std527 泄壓閥閥座的密封性
API RP 576 泄壓裝置的檢查
ASME 鍋爐與壓力容器規范第 Ⅷ 卷
第一冊 壓力容器泄壓裝置
ASME PTC25 泄壓裝置—性能試驗規范
2)名詞術語:API 標準的某些名詞術語與我國國內習慣用語不一致,故予以說明。
①泄壓裝置(Pressure Velief Device)。泄壓裝置是防止工藝系統或承壓容器由于事故或不正常工況期間流體壓力升高而超過預定壓力值。常有的有彈簧直接載荷式泄壓閥、先導式泄壓閥和爆破片等。
②泄壓閥(Pressure Relief Valve)。泄壓閥是一種泄壓裝置,在系統超壓時閥門開啟,而當系統壓力恢復到正常后閥門關閉,從而防止介質繼續外流。常見有的安全閥、泄放閥、先導式泄壓閥等。
③安全閥(Safety Valve)。安全閥是一種由入口靜壓力驅動,并以快速開啟或突跳動作為特征的泄壓閥。其應用與可壓縮流體。
④泄放閥(Relief Valve)。泄放閥是一種由入口靜壓力驅動的泄壓閥,其開啟通常與超過壓力的壓力升高成比例。其應用于不可壓縮流體。
⑤安全泄放閥(Safety Relief Valve)。安全泄壓閥是一種依應用情況而作為安全閥或泄放閥的泄壓閥。
3)基本要求:
①安全閥的流道面積(代號)、進出口通徑、壓力級(磅級)、基本材料、壓力-溫度范圍和進出口安裝尺寸按 API Std 526 規定。
②安全閥的整定壓力(Pa)允許偏差與整定壓力有關。當 Pa≤0.5MPa 時,允許偏差為 ±0.015MPa。當 Pa>0.5時,允許偏差為 ±3%Pa。
③安全閥的設計和制造按 ASME《鍋爐與壓力容器規范》第 Ⅷ 卷規定。其基本條件包括機械動作,材料選擇、制造及裝配的檢查制造廠及裝配廠的產品試驗、設計、焊接及其他等七個方面。
如對閥瓣、閥座、彈簧、導套、提升裝置的結構設計和材料選擇要求,對制造廠及裝配廠的制造、實驗設備和質量控制程序的要求,如受壓件的強度和氣密試驗要求、對實驗裝置、容器和試驗方法的要求等。
④標以 ASME《鍋爐與壓力容器規范》第 Ⅷ 卷標志的泄壓閥的排量驗證試驗應在不超過開啟壓力的 10% 或 0.02MPa 壓力下進行。
4)標準比較:JB、GB 和 API 標準安全閥的比較見表 1-8。
| 項目 | JB | GB | API(ASME) | ||
| 設計 | 規格 | 8 種 | 25 種 | ||
| 流道直徑 d0/mm | ø20~ø125 | ø9.5(D)~ø146(T) | |||
| 面積比(出口/流道) | 4.13~3.06 | 64.26~3.02 | |||
| 壓力-溫度等級 | 按流道直徑(代號)明確 | ||||
| 機械要求 | 應有導向機構以保證動作和密封的穩定性。閥座應固定在閥體上,以防松動。 | 考慮導向裝置以保證工作可靠及密封性;閥座應緊固在閥體上,以防止閥座升起。 | |||
| 彈簧 | 負載偏差 | ±10% | ±10% | ||
| 最大負荷下變形量 | ≤80% 壓并變形量 | ≤80% 壓并變形量 | |||
| 最大負荷下切應力 | ≤80% 極限切應力 | ||||
| 永久變形 | 試驗負荷壓縮 3 次后 ≤0.5%H。 | 壓井三次后 ≤0.5%H。 | |||
| 整定壓力調整范圍 | ≤±15% | ±5% | |||
| 材料選擇 | 結構材料 | ||||
| 閥座、閥瓣 | 本體材料的抗腐蝕性能應不低于閥體材料 | 根據壓力—溫度范圍明確通用結構材料 | |||
| 導套 | 應具有良好的耐磨與抗腐蝕性能 | 用耐蝕材料 | |||
| 彈簧 | 防銹處理 | 防銹處理 | 用耐蝕材料或耐蝕涂層 | ||
| 制造 | 工藝裝備、試驗設備以及質量控制程序能保證產品性能一致性 | ||||
| 試驗 | 認證 | 性能和排量驗證應在 ASME 認可的實驗室進行 | |||
| 動作性能試驗 | 蒸汽介質 | 飽和蒸汽 | 用蒸汽試驗 | 用蒸汽試驗,能力有限時刻用空氣,但應校正 | |
| 氣體介質 | 空氣 | 用空氣、蒸汽或其他已知性質氣體 | 用空氣試驗 | ||
| 液體介質 | 水 | 用水或其他已知性質液體進行試驗 | 用水或其他合適的液體進行試驗 | ||
| 試驗裝置 | 應具有足夠尺寸及容量 | ||||
| 密封性 | 壓力 | 按圖樣規定 |
0.9P0 |
0.9P0 | |
| 試驗介質 | 允許用空氣禍害器代替 | 同工作介質性質 | |||
| 允許泄漏率 |
金屬座—按標準 軟座—0 泡/min |
金屬座—按標準 軟座—0 泡/min |
|||
5)條款特點:
①規則。API 標準對安全閥的結構設計、排量計算、規格、壓力級、材料、制造、試驗、運輸、安裝、使用、檢查及維修,均有完整和全面的基本要求。
API RP 520、576 介紹了各種類型安全閥的機構及其特點。
API RP 520 第Ⅰ部分列出各種流體介質(氣體、水蒸氣、液體及兩相流)排量下所需流道面積的計算方法,并給出相關修正系數。
API Std 526 規定了 14 種流道直徑(喉徑)再不用溫度和壓力下的各種規格、壓力級及基本材料要求,并規定必須執行 AMSE 規范的相應制造和試驗要求。
API Std 527 規定了泄壓閥的密封性試驗方法和要求。
API RP 520 第Ⅱ部分列出有關安裝發面的一些要求。
API RP 576 列出泄壓裝置的檢查和維修要求。
ASME PTC 25 為泄壓裝置的試驗裝置、試驗方法和實驗報告提供了標準。
②規格和品種。API 標準安全閥規格和品種較多。
彈簧載荷式安全閥的公稱尺寸為 1~8in.(25~200mm),有 14 種(D~T)流道直徑(d0=9.5~146mm),21 種規格,6 種壓力級(150~2500lb),-268~260℃ 的溫度范圍。
API 標準范圍閥規格、品種多,便于選擇合理規格的安全閥。
③溫度—壓力級。API 標準安全閥根據所需排量計算確定留到面積后,按照該流道面積表中的溫度范圍和允許的最高整定壓力,確定適合的壓力等級。
④材料。閥瓣、閥座及導向零件應是耐蝕材料制成,應能滿足溫度和使用條件。依照使用的溫度,選用適合的閥體、閥蓋及彈簧材料。閥體和閥蓋的材料可以不同,但必須滿足最低的壓力—溫度要求,標準中規定了閥體、閥蓋和彈簧材料的最低等級牌號。
⑤制造廠和實驗裝置要求。制造廠的工藝裝備、試驗裝備以及質量控制程序能夠保證所生產安全法的性能一致性。安全閥性能試驗裝置和容器應有足夠尺寸和容量。
⑥運輸和安裝。安全閥運輸中應有保護堵蓋(塞)。安全閥人口管道的壓力損失 Δp≤3%pa。
(3)研制
由于按照 API 標準生產安全閥與按照 JB 生產安全閥存在差異,因而產品制造過程中常出現許多問題。如結構設計不合理,材料選用不當,整定壓力過高或實際排放量不滿足要求等。
為了完整全面的了解、熟悉和掌握 API 標準(AMSE 規范)相關內容和要求,有必要對 API 標準安全閥進行深入研究,以顯示其特點和先進性。對 API 標準安全閥主要研究包括試驗研究和建模研究。
1)性能試驗研究:
①試驗裝置。為了進行安全閥的性能及排量試驗研究,按照 ASME PTC 25《泄壓裝置—性能試驗規范》的要求建設了安全閥全性能試驗裝置。改試驗裝置主要由大量空氣壓縮機、儲氣罐、流量調節閥、控制閥、試驗容器及工位、流量計、壓力傳感器、溫度傳感器、位移傳感器、計算機數據采集及處理系統等組成。
試驗裝置共設三個試驗工位。最大試驗閥通徑 8in.(200mm),最高試驗壓力 23MPa,最高試驗流量 100t/h(空氣)。試驗工位的試驗容器的容積分別為 4.5m³、1.5m³、0.014m³。
為了更好地比較試驗裝置能力對安全閥性能的影響,隨后又建造了容積為 0.5m³的試驗裝置。典型安全閥的試驗結果曲線如圖 1-6~1-8。

圖 1-6 入口壓力與開啟高度曲線

圖 1-7 開啟高度與流量曲線

圖 1-8 安全閥發證顫振時的開啟高度曲線
②性能及排量試驗。安全閥的流道結構設計對其性能及排量有重量影響。API Std 526 標準規定了安全閥的凈出口及流道尺寸,其出口面積與流道面積的比例為 64.26~3.02,與 JB 規定的 4.13~3.06 相比范圍及比例均較大,特別對于通徑較小者有顯著差別,進行了性能和排量試驗。大量試驗表明:a.試驗裝置性能對安全閥的性能有重要影響。通過對五種規格(II/2h4、2J3、3K4、3L4、4M6)的安全閥在不同試驗裝置上對比試驗結構可以得出,試驗裝置的容量對安全閥整定壓力和啟跳壓力基本無影響。只有試驗裝置容量足夠大時,才能判定安全閥的回座壓力及機械特性是否符合要求。b.與 API Std 526 標準安全閥相比,出口面積較小的 JB 安全閥其排量系數較小。在試驗裝置上對 API 和 JB 兩種標準的安全閥進行了排量試驗。試驗表明,JB 安全閥的出口面積較小者,影響到其排量系數減小。一般 JB 安全閥的排量系數為 0.8~0.9。而按 API 標準的安全閥其排量系數可達 0.98。
③ 背壓試驗。安全閥的出口背壓時其性能有較大影響。較高的被壓會影響到安全閥的動作性能及其排量。安全閥背壓試驗系統如圖 1-9 所示。
圖 1-9 安全閥背壓試驗系統
背壓通過背壓發生器產生,調節背壓主要是通過改變背壓器中背壓調節器孔板尺寸來調節發生閥出口排放背壓。通過背壓試驗,得出兩點經驗:a.排放背壓存在臨界值,超過允許值后,會導致安全閥機械性能遭到破壞,引起安全閥顫振等現象,排放過程不穩定。b.安全閥開啟高度隨排放背壓的升高而減少,排放背壓的存在,引起開啟高度的降低,導致安全閥的實際排量降低。
2)流場仿真:雖然借助于先進的性能試驗裝置,在安全閥動作特性和排量等方面上獲得了許多成果,然而試驗研究卻存在著投入大、周期長、方法有局限的問題。所以將計算流體力學(CFD)應用到安全閥的基礎理論研究中。利用計算流體力學軟件,建立了一些安全閥內部流場的三維模型。經過試驗驗證,這些模型具有足夠的精度和可靠性,完全可以用于工程研究,其中兩個算例所得到的排量數值與試驗數據的對比見表 1-9。
| 序號 | 規格 | 實測排量/(kg/h) | 計算排量/(kg/h) | 計算值與試驗值相差百分比(%) |
| 1 | 2J3 | 4756.1 | 4795.9 | 0.84 |
| 2 | II/2h4 | 4987.67 | 5030.1 | 0.85 |
通過對安全閥內部流場研究,對安全閥的內部流動有了全新的認識。在安全閥整個流道中,發作的喉部是最小的幾何流通截面。所以在安全閥的工程計算和設計過程中,這個流道面積就被假設為整個流道中的實際最小氣動流通面積,如果該流場處于臨界或超臨界流動狀態,則在閥座喉部處達到音速。
以往通過試驗方法,已經證實這個假設存在問題,安全閥的臨界界面不在閥座喉部,而是在其下游。但是究竟是什么樣的流場形態,產生這一現象的機理是什么,這些試驗很難解答的問題若通過流場仿真就可以很容易地解答。
圖 1-10 為某規格安全閥內部流場中音速和超音速區域的馬赫數等值線圖。從圖中可以看出,介質在閥座喉部的流動是亞聲速的,實際的氣動臨界截面位于閥座與閥瓣之間形成的圓柱側面上。

圖 1-10 安全閥內部流場中的馬赫數等值線圖
(4)結語
由于 API 標準安全閥與 JB 安全法相比,具有顯著的特點和先進性。因而近年來,API 標準安全閥在我國得到越來越廣泛的應用。從目前現狀分析,提出幾點建議:
1)安全法制造廠、檢驗單位以及使用部門需全面、完整地了解、熟悉和掌握 API 標準(ASME 規范)相關內容和要求。
2)設計單位與制造廠商嚴格遵循 API 標準(ASME 規范)要求進行安全法的設計選型、選材和制造。
3)各制造廠對生產的 API 標準安全閥應開展充分的性能研究工作,以顯示 API 標準安全閥的特點。各制造廠應通過具有資質的檢測部門確定安全閥的排量系數以供用戶選型時使用。
4)目前國內安全閥制造廠的生產手段和試驗條件較國外廠家有較大差距,特別在實驗條件方面。因而,建議安全法制造廠和檢驗單位應創造條件滿足安全閥性能試驗的要求。例如,關于實驗裝置和容器應有足夠尺寸和容量。這涉及回座壓力的準確性以及力學性能的判斷。
5)安全閥使用單位應向供貨單位(制造廠)提出安全閥的明確訂貨要求,并在收貨時索要相關文件(例如合格證、質量證明書、試驗報告等)以及進行必要項目的驗收。
第 2 章 工業管道及閥門維修、安裝必備的基礎知識
2-1 管道有哪些分類方法?管道有什么用途?
答:管道分類方法通常按介質的壓力、溫度、性質分類,也可按管道材質、溫度和壓力分類,以及材質情況等分類方法。
這里管道按其材質可分為鋼管、有色金屬管、鑄鐵管、非金屬管四種。他們的主要用途例舉如下:
(1)鋼管
1)一般無縫鋼管、用于制作流體介質管道或制作結構管件等。標準為 GB/T 8163—1999《輸送流體用無縫鋼管》。常用規格:結構用無縫鋼管外徑 5~200,壁厚 0.25~14mm,見表 2-1;輸送流體用無縫鋼管外徑 32~630mm。壁厚 2.5~75mm,見表 2-2。
常用無縫鋼管規格尺寸及單位長度理論質量(kg/m)見表 2-3。
| 外徑/mm | 壁厚/mm | ||||||||
| 0.25 | 0.30 | 0.40 | 0.50 | 0.60 | 0.80 | 1.0 | 1.2 | 1.4 | |
| 理論重量/(kg/m) | |||||||||
| 5 | 0.0292 | 0.0348 | 0.0454 | 0.055 | 0.065 | 0.083 | 0.099 | 0.112 | 0.124 |
| 6 | 0.0354 | 0.0421 | 0.055 | 0.068 | 0.080 | 0.103 | 0.123 | 0.142 | 0.159 |
| 7 | 0.0416 | 0.0496 | 0.065 | 0.080 | 0.095 | 0.122 | 0.148 | 0.172 | 0.193 |
| 8 | 0.0477 | 0.057 | 0.075 | 0.092 | 0.110 | 0.142 | 0.173 | 0.202 | 0.227 |
| 9 | 0.054 | 0.064 | 0.085 | 0.105 | 0.125 | 0.162 | 0.197 | 0.231 | 0.262 |
| 10 | 0.060 | 0.072 | 0.095 | 0.117 | 0.139 | 0.182 | 0.222 | 0.261 | 0.296 |
| 11 | 0.066 | 0.079 | 0.105 | 0.129 | 0.154 | 0.201 | 0.247 | 0.290 | 0.331 |
| 12 | 0.072 | 0.087 | 0.115 | 0.142 | 0.169 | 0.221 | 0.271 | 0.320 | 0.365 |
| 14 | 0.085 | 0.101 | 0.134 | 0.166 | 0.199 | 0.260 | 0.321 | 0.379 | 0.434 |
| 16 | 0.094 | 0.116 | 0.154 | 0.191 | 0.228 | 0.300 | 0.370 | 0.438 | 0.503 |
| 18 | 0.109 | 0.131 | 0.174 | 0.216 | 0.258 | 0.340 | 0.419 | 0.497 | 0.572 |
| 20 | 0.122 | 0.146 | 0.193 | 0.240 | 0.288 | 0.379 | 0.469 | 0.556 | 0.642 |
| 22 | — | — | 0.212 | 0.265 | 0.318 | 0.419 | 0.518 | 0.616 | 0.710 |
| 25 | — | — | 0.242 | 0.302 | 0.363 | 0.478 | 0.592 | 0.703 | 0.813 |
| 28 | — | — | 0.272 | 0.340 | 0.406 | 0.536 | 0.666 | 0.792 | 0.916 |
| 29 | — | — | 0.282 | 0.352 | 0.418 | 0.553 | 0.691 | 0.823 | 0.951 |
| 30 | — | — | 0.292 | 0.364 | 0.436 | 0.576 | 0.715 | 0.851 | 0.986 |
| 32 | — | — | 0.311 | 0.389 | 0.466 | 0.615 | 0.765 | 0.910 | 1.05 |
| 34 | — | — | 0.331 | 0.413 | 0.496 | 0.655 | 0.814 | 0.968 | 1.12 |
| 36 | — | — | 0.350 | 0.438 | 0.525 | 0.695 | 0.863 | 1.03 | 1.19 |
| 38 | — | — | 0.370 | 0.464 | 0.555 | 0.734 | 0.912 | 1.09 | 1.26 |
| 40 | — | — | 0.390 | 0.494 | 0.585 | 0.774 | 0.962 | 1.15 | 1.33 |
| 42 | — | — | — | — | — | — | 1.01 | 1.21 | 1.41 |
| 44.5 | — | — | — | — | — | — | 1.07 | 1.28 | 1.48 |
| 45 | — | — | — | — | — | — | 1.09 | 1.30 | 1.51 |
| 48 | — | — | — | — | — | — | 1.16 | 1.38 | 1.61 |
| 50 | — | — | — | — | — | — | 1.21 | 1.44 | 1.68 |
| 53 | — | — | — | — | — | — | 1.28 | 4.53 | 1.78 |
| 56 | — | — | — | — | — | — | 1.36 | 1.62 | 1.89 |
| 60 | — | — | — | — | — | — | 1.46 | 1.74 | 2.02 |
| 63 | — | — | — | — | — | — | 1.53 | 1.83 | 2.13 |
| 65 | — | — | — | — | — | — | 1.58 | 1.89 | 2.20 |
| 70 | — | — | — | — | — | — | 1.70 | 2.03 | 2.37 |
| 75 | — | — | — | — | — | — | 1.82 | 2.18 | 2.54 |
| 外徑/mm | 壁厚/mm | ||||||||
| 1.5 | 1.6 | 1.8 | 2.0 | 2.2 | 2.5 | 2.8 | 3.0 | 3.2 | |
| 理論重量/(kg/m) | |||||||||
| 5 | 0.129 | 0.134 | — | — | — | — | — | — | — |
| 6 | 0.166 | 0.174 | 0.186 | 0.197 | — | — | — | — | — |
| 7 | 0.203 | 0.213 | 0.230 | 0.247 | 0.260 | 0.277 | — | — | — |
| 8 | 0.240 | 0.253 | 0.296 | 0.315 | 0.339 | — | — | — | — |
| 9 | 0.277 | 0.292 | 0.319 | 0.345 | 0.369 | 0.401 | 0.427 | — | — |
| 10 | 0.314 | 0.332 | 0.363 | 0.395 | 0.423 | 0.462 | 0.496 | 0.518 | 0.536 |
| 11 | 0.351 | 0.371 | 0.407 | 0.444 | 0.477 | 0.524 | 0.566 | 0.592 | 0.615 |
| 12 | 0.388 | 0.411 | 0.452 | 0.493 | 0.532 | 0.586 | 0.635 | 0.666 | 0.694 |
| 14 | 0.462 | 0.490 | 0.541 | 0.592 | 0.640 | 0.709 | 0.772 | 0.814 | 0.852 |
| 16 | 0.536 | 0.568 | 0.629 | 0.691 | 0.747 | 0.832 | 0.910 | 0.962 | 1.01 |
| 18 | 0.610 | 0.647 | 0.717 | 0.789 | 0.856 | 0.956 | 1.05 | 1.11 | 1.17 |
| 20 | 0.684 | 0.726 | 0.806 | 0.888 | 0.965 | 1.08 | 1.19 | 1.26 | 1.33 |
| 22 | 0.758 | 0.806 | 0.895 | 0.986 | 1.07 | 1.20 | 1.33 | 1.·41 | 1.49 |
| 25 | 0.869 | 0.925 | 1.03 | 1.13 | 1.24 | 1.39 | 1.53 | 1.63 | 1.72 |
| 28 | 0.980 | 1.04 | 1.16 | 1.28 | 1.40 | 1.57 | 1.74 | 1.85 | 1.96 |
| 29 | 1.02 | 1.08 | 1.22 | 1.33 | 1.47 | 1.63 | 1.83 | 1.92 | 2.02 |
| 30 | 1.05 | 1.12 | 1.25 | 1.38 | 1.51 | 1.70 | 1.88 | 2.00 | 2.12 |
| 32 | 1.13 | 1.20 | 1.34 | 1.48 | 1.62 | 1.82 | 2.02 | 2.15 | 2.28 |
| 34 | 1.20 | 1.28 | 1.43 | 1.58 | 1.72 | 1.94 | 2.15 | 2.29 | 2.43 |
| 36 | 1.28 | 1.36 | 1.53 | 1.68 | 1.83 | 2.07 | 2.29 | 2.44 | 2.59 |
| 38 | 1.35 | 1.44 | 1.61 | 1.78 | 1.94 | 2.19 | 2.43 | 2.59 | 2.75 |
| 40 | 1.42 | 1.52 | 1.69 | 1.87 | 2.05 | 2.31 | 2.56 | 2.74 | 2.91 |
| 42 | 1.50 | 1.60 | 1.79 | 1.97 | 2.16 | 2.44 | 2.70 | 2.89 | 3.07 |
| 44.5 | 1.59 | 1.65 | 1.88 | 2.10 | 2.29 | 2.59 | 2.89 | 3.07 | 3.25 |
| 45 | 1.61 | 1.71 | 1.91 | 2.12 | 2.32 | 2.62 | 2.91 | 3.11 | 3.31 |
| 48 | 1.72 | 1.83 | 2.05 | 2.27 | 2.48 | 2.81 | 3.11 | 3.33 | 3.54 |
| 50 | 1.79 | 1.91 | 2.14 | 2.37 | 2.59 | 2.93 | 3.25 | 3.48 | 3.70 |
| 53 | 1.91 | 2.03 | 2.27 | 2.52 | 2.76 | 3.11 | 3.46 | 3.70 | 3.94 |
| 56 | 2.02 | 2.15 | 2.40 | 2.56 | 2.92 | 3.30 | 3.66 | 3.92 | 4.17 |
| 60 | 2.16 | 2.31 | 2.58 | 2.86 | 3.13 | 3.55 | 3.94 | 4.22 | 4.49 |
| 63 | 2.27 | 2.42 | 2.71 | 3.01 | 3.30 | 3.72 | 4.15 | 4.44 | 4.73 |
| 65 | 2.35 | 2.50 | 2.80 | 3.11 | 3.40 | 3.85 | 4.29 | 4.59 | 4.89 |
| 70 | 2.53 | 2.70 | 3.02 | 3.35 | 3.68 | 4.16 | 4.63 | 4.96 | 5.28 |
| 75 | 2.71 | 2.90 | 3.24 | 3.60 | 3.95 | 4.46 | 4.97 | 5.32 | 5.68 |
| 外徑/mm | 壁厚/mm | ||||||||
| 3.5 | 4.0 | 4.5 | 5.0 | 5.5 | 6.0 | 6.5 | 7.0 | 7.5 | |
| 理論重量/(kg/m) | |||||||||
| 5 | — | — | — | — | — | — | — | — | — |
| 6 | — | — | — | — | — | — | — | — | — |
| 7 | — | — | — | — | — | — | — | — | — |
| 8 | — | — | — | — | — | — | — | — | — |
| 9 | — | — | — | — | — | — | — | — | — |
| 10 | 0.561 | — | — | — | — | — | — | — | — |
| 11 | 0.647 | — | — | — | — | — | — | — | — |
| 12 | 0.734 | 0.789 | — | — | — | — | — | — | — |
| 14 | 0.906 | 0.986 | — | — | — | — | — | — | — |
| 16 | 1.08 | 1.18 | 1.28 | 1.35 | — | — | — | — | — |
| 18 | 1.25 | 1.38 | 1.50 | 1.60 | — | — | — | — | — |
| 20 | 1.42 | 1.58 | 1.72 | 1.82 | 1.97 | 2.07 | — | — | — |
| 22 | 1.60 | 1.77 | 1.94 | 2.10 | 2.24 | 2.37 | — | — | — |
| 25 | 1.86 | 2.07 | 2.28 | 2.47 | 2.64 | 2.81 | 2.97 | 3.11 | — |
| 28 | 2.11 | 2.37 | 2.61 | 2.84 | 3.05 | 3.26 | 3.45 | 3.68 | — |
| 29 | 2.20 | 2.47 | 2.72 | 2.96 | 3.19 | 3.40 | 3.61 | 3.80 | 3.98 |
| 30 | 2.29 | 2.56 | 2.83 | 3.08 | 3.32 | 3.55 | 3.77 | 3.97 | 4.16 |
| 32 | 2.46 | 2.76 | 3.05 | 3.33 | 3.59 | 3.85 | 4.09 | 4.32 | 4.53 |
| 34 | 2.63 | 2.96 | 3.27 | 3.58 | 3.87 | 4.14 | 4.41 | 4.66 | 4.90 |
| 36 | 2.81 | 3.16 | 3.50 | 3.82 | 4.14 | 4.44 | 4.73 | 5.01 | 5.27 |
| 38 | 2.98 | 3.35 | 3.72 | 4.07 | 4.41 | 4.74 | 5.05 | 5.35 | 5.64 |
| 40 | 3.15 | 3.55 | 3.94 | 4.32 | 4.68 | 5.03 | 5.37 | 5.70 | 6.01 |
| 42 | 3.32 | 3.75 | 4.16 | 4.56 | 4.95 | 5.33 | 5.69 | 6.04 | 6.38 |
| 44.5 | 3.54 | 4.00 | 4.44 | 4.87 | 5.29 | 5.70 | 6.06 | 6.47 | 6.84 |
| 45 | 3.58 | 4.04 | 4.49 | 4.93 | 5.36 | 5.77 | 6.17 | 6.56 | 6.94 |
| 48 | 3.84 | 4.34 | 4.83 | 5.30 | 5.76 | 6.21 | 6.65 | 7.08 | 7.49 |
| 50 | 4.01 | 4.54 | 5.05 | 5.55 | 6.04 | 6.51 | 6.97 | 7.42 | 7.86 |
| 53 | 4.27 | 4.83 | 5.38 | 5.92 | 6.44 | 6.95 | 7.45 | 7.94 | 8.42 |
| 56 | 4.53 | 5.13 | 5.71 | 6.29 | 6.85 | 7.40 | 7.93 | 8.40 | 8.97 |
| 60 | 4.88 | 5.52 | 6.16 | 6.78 | 7.39 | 7.99 | 8.58 | 9.15 | 9.71 |
| 63 | 5.13 | 5.81 | 6.49 | 7.14 | 7.77 | 8.41 | 9.04 | 9.57 | 10.23 |
| 65 | 5.31 | 6.02 | 6.71 | 7.40 | 8.07 | 8.73 | 9.38 | 10.01 | 10.65 |
| 70 | 5.74 | 6.51 | 7.27 | 8.01 | 8.75 | 9.47 | 10.18 | 10.88 | 11.56 |
| 75 | 6.17 | 7.00 | 7.82 | 8.62 | 9.41 | 10.18 | 10.96 | 11.71 | 12.48 |
| 外徑/mm | 壁厚/mm | ||||||||
| 8.0 | 8.5 | 9 | 9.5 | 10 | 11 | 12 | 13 | 14 | |
| 理論重量/(kg/m) | |||||||||
| 30 | 4.34 | — | — | — | — | — | — | — | — |
| 32 | 4.74 | — | — | — | — | — | — | — | — |
| 34 | 5.13 | — | — | — | — | — | — | — | — |
| 36 | 5.52 | — | — | — | — | — | — | — | — |
| 38 | 5.92 | 6.18 | 6.44 | — | — | — | — | — | — |
| 40 | 6.31 | 6.60 | 6.88 | — | — | — | — | — | — |
| 42 | 6.71 | 7.02 | 7.32 | — | — | — | — | — | — |
| 44.5 | 7.20 | 7.55 | 7.88 | — | — | — | — | — | — |
| 45 | 7.30 | 7.65 | 7.99 | 8.32 | 8.63 | — | — | — | — |
| 48 | 7.89 | 8.28 | 8.66 | 9.02 | 9.37 | — | — | — | — |
| 50 | 8.29 | 8.70 | 9.10 | 9.49 | 9.86 | 10.59 | 11.25 | — | — |
| 53 | 8.88 | 9.33 | 9.77 | 10.19 | 10.60 | 11.39 | 12.13 | — | — |
| 56 | 9.47 | 9.96 | 10.43 | 10.90 | 11.34 | 12.21 | 13.02 | — | — |
| 60 | 10.26 | 10.80 | 11.32 | 11.83 | 12.33 | 13.29 | 14.21 | 15.07 | 15.88 |
| 65 | 11.25 | 11.84 | 12.43 | 13.00 | 13.56 | 14.65 | 15.68 | — | — |
| 70 | 12.23 | 12.89 | 13.54 | 14.17 | 14.80 | 16.01 | 17.16 | 18.27 | 19.33 |
| 75 | 13.17 | 13.91 | 14.61 | 15.30 | 15.99 | 17.31 | 18.65 | — | — |
| 外徑/mm | 壁厚/mm | ||||||||
| 1.2 | 1.4 | 1.5 | 1.6 | 1.8 | 2.0 | 2.2 | 2.5 | 2.8 | |
| 理論重量/(kg/m) | |||||||||
| 80 | — | 2.71 | 2.90 | 3.09 | 3.47 | 3.84 | 4.22 | 4.77 | 5.32 |
| 85 | — | 2.88 | 3.08 | 3.29 | 3.69 | 4.09 | 4.48 | 5.08 | 5.66 |
| 90 | — | 3.05 | 3.27 | 3.49 | 3.91 | 4.34 | 4.76 | 5.39 | 6.01 |
| 95 | — | 3.21 | 3.46 | 3.68 | 4.13 | 4.59 | 5.02 | 5.70 | 6.36 |
| 100 | — | 3.40 | 3.64 | 3.88 | 4.35 | 4.83 | 5.30 | 6.00 | 6.70 |
| 110 | — | 3.74 | 4.03 | 4.28 | 4.81 | 5.32 | 5.84 | 6.62 | 7.39 |
| 120 | — | — | 4.36 | 4.66 | 5.25 | 5.83 | 6.38 | 7.24 | 8.07 |
| 125 | — | — | — | — | 5.46 | 6.06 | 6.64 | 7.54 | 8.42 |
| 130 | — | — | — | — | — | — | — | 7.86 | 8.78 |
| 140 | — | — | — | — | — | — | — | — | — |
| 150 | — | — | — | — | — | — | — | — | — |
| 外徑/mm | 壁厚/mm | ||||||||
| 3.0 | 3.5 | 4.0 | 4.5 | 5.0 | 5.5 | 6.0 | 6.5 | 7.0 | |
| 理論重量/(kg/m) | |||||||||
| 80 | 5.69 | 6.60 | 7.49 | 8.37 | 9.24 | 10.07 | 10.91 | 11.75 | 12.59 |
| 85 | 6.06 | 7.04 | 7.98 | 8.93 | 9.86 | 10.75 | 11.65 | 12.55 | 13.45 |
| 90 | 6.43 | 7.47 | 8.47 | 9.49 | 10.47 | 11.42 | 12.39 | 13.35 | 14.31 |
| 95 | 6.81 | 7.90 | 8.98 | 10.04 | 11.10 | 12.14 | 13.17 | 14.19 | 15.19 |
| 100 | 7.17 | 8.32 | 9.46 | 10.59 | 11.71 | 12.77 | 13.87 | 14.95 | 16.03 |
| 110 | 7.92 | 9.19 | 10.46 | 11.70 | 12.93 | 14.19 | 15.40 | 16.60 | 17.75 |
| 120 | 8.66 | 10.06 | 11.44 | 12.93 | 14.30 | 15.51 | 16.89 | 18.20 | 19.50 |
| 125 | 9.02 | 10.50 | 11.91 | 13.37 | 14.80 | 16.15 | 17.55 | 19.02 | 20.35 |
| 130 | 9.40 | 10.92 | 12.43 | 13.92 | 15.48 | 16.88 | 18.35 | 19.80 | 21.20 |
| 140 | 10.11 | 11.80 | 13.42 | 15.05 | 16.65 | 18.24 | 19.83 | 21.40 | 22.96 |
| 150 | 10.85 | 12.65 | 14.39 | 16.11 | 17.85 | 19.55 | 21.25 | 23.00 | 24.68 |
| 160 | — | 13.53 | 15.38 | 17.25 | 19.09 | 20.96 | 22.79 | 24.60 | 26.41 |
| 170 | — | 14.31 | 16.31 | 18.35 | 20.30 | 22.31 | 24.27 | 26.21 | 28.14 |
| 180 | — | 15.20 | 17.30 | 19.50 | 21.59 | 23.67 | 25.75 | 27.81 | 29.87 |
| 190 | — | — | 18.29 | 20.60 | 22.80 | 25.02 | 27.22 | 29.41 | 31.59 |
| 200 | — | — | 19.67 | 21.65 | 24.00 | 26.38 | 28.70 | 31.02 | 33.32 |
| 外徑/mm | 壁厚/mm | ||||||||
| 7.5 | 8.0 | 8.5 | 9.0 | 9.5 | 10 | 11 | 12 | 13 | |
| 理論重量/(kg/m) | |||||||||
| 80 | 13.39 | 14.15 | 14.96 | 15.71 | 16.45 | 17.22 | 18.66 | 20.10 | |
| 85 | 14.31 | 15.13 | 16.01 | 16.85 | 17.63 | 18.45 | 20.01 | 21.60 | |
| 90 | 15.22 | 16.11 | 17.05 | 17.95 | 18.79 | 19.67 | 21.43 | 23.08 | |
| 95 | 16.18 | 17.16 | 18.13 | 19.09 | 20.03 | 20.96 | 22.79 | 24.56 | |
| 100 | 17.09 | 18.09 | 19.15 | 20.15 | 21.15 | 22.19 | 24.14 | 26.04 | |
| 110 | 19.00 | 20.08 | 21.30 | 22.50 | 23.54 | 24.70 | 26.85 | 29.00 | |
| 120 | 20.85 | 22.10 | 23.40 | 24.70 | 25.89 | 27.20 | 29.57 | 31.96 | |
| 125 | 21.73 | 23.08 | 24.42 | 25.75 | 27.06 | 28.36 | 30.92 | 33.44 | |
| 130 | 22.70 | 24.10 | 25.50 | 26.90 | 28.23 | 29.70 | 32.27 | 34.92 | |
| 140 | 24.51 | 26.04 | 27.57 | 29.08 | 30.57 | 32.06 | 34.99 | 37.88 | |
| 150 | 26.36 | 28.01 | 29.66 | 31.29 | 32.91 | 34.52 | 37.71 | 40.84 | |
| 160 | 28.20 | 29.99 | 31.76 | 33.51 | 35.26 | 36.99 | 40.42 | 43.80 | |
| 170 | 30.05 | 31.96 | 33.85 | 35.73 | 37.60 | 39.46 | 43.13 | 46.76 | |
| 180 | 31.91 | 33.93 | 35.95 | 37.95 | 39.95 | 41.92 | 45.85 | 49.72 | |
| 190 | 33.72 | 35.90 | 38.04 | 40.17 | 42.28 | 44.39 | 48.56 | 52.67 | |
| 200 | 35.60 | 37.88 | 40.14 | 42.39 | 44.63 | 46.85 | 51.27 | 55.63 | |
注:1.本表乃參考 GB/T 8163—1999。
2.壁厚 ≤1mm,鋼管長 1.5—7mm;壁厚 >1mm,鋼管長 1.5~9mm。
| 外徑/mm | 壁厚/mm | ||||||||||
| 2.5 | 3 | 3.5 | 4 | 4.5 | 5 | 5.5 | 6 | 6.5 | 7 | 7.5 | |
| 理論重量/(kg/m) | |||||||||||
| 32 | 1.82 | 2.15 | 2.46 | 2.76 | 3.05 | 3.33 | 3.59 | 3.85 | 4.09 | 4.32 | 4.53 |
| 38 | 2.19 | 2.59 | 2.98 | 3.35 | 3.72 | 4.07 | 4.41 | 4.74 | 5.05 | 5.35 | 5.64 |
| 42 | 2.44 | 2.89 | 3.53 | 3.75 | 4.16 | 4.56 | 4.95 | 5.33 | 5.69 | 6.04 | 6.38 |
| 45 | 2.62 | 3.11 | 3.58 | 4.04 | 4.49 | 4.93 | 5.36 | 5.77 | 6.17 | 6.56 | 6.94 |
| 50 | 2.93 | 3.48 | 4.01 | 4.54 | 5.05 | 5.55 | 6.04 | 6.51 | 6.97 | 7.42 | 7.86 |
| 54 | — | 3.77 | 4.36 | 4.93 | 5.49 | 6.04 | 6.58 | 7.10 | 7.61 | 8.11 | 8.60 |
| 57 | — | 4.00 | 4.62 | 5.23 | 5.83 | 6.41 | 6.99 | 7.55 | 8.10 | 8.63 | 9.16 |
| 60 | — | 4.22 | 4.88 | 5.52 | 6.16 | 6.78 | 7.39 | 7.99 | 8.58 | 9.15 | 9.74 |
| 63.5 | — | 4.48 | 5.18 | 5.87 | 6.55 | 7.21 | 7.87 | 8.51 | 9.14 | 9.75 | 10.36 |
| 68 | — | 4.81 | 5.57 | 6.31 | 7.05 | 7.77 | 8.48 | 9.17 | 9.86 | 10.53 | 11.19 |
| 70 | — | 4.96 | 5.74 | 6.51 | 7.27 | 8.01 | 8.75 | 9.47 | 10.18 | 10.88 | 11.56 |
| 73 | — | 5.18 | 6.00 | 6.81 | 7.60 | 8.38 | 9.16 | 9.91 | 10.66 | 11.39 | 12.11 |
| 76 | — | 5.40 | 6.26 | 7.10 | 7.93 | 8.75 | 9.56 | 10.36 | 11.14 | 11.91 | 12.67 |
| 83 | — | — | 6.86 | 7.79 | 8.71 | 9.62 | 10.51 | 11.39 | 12.26 | 13.12 | 13.96 |
| 89 | — | — | 7.38 | 8.38 | 9.38 | 10.36 | 11.33 | 12.28 | 13.22 | 14.16 | 15.07 |
| 95 | — | — | 7.90 | 8.98 | 10.04 | 11.10 | 12.14 | 13.17 | 14.19 | 15.19 | 16.18 |
| 102 | — | — | 8.50 | 9.67 | 10.82 | 11.96 | 13.09 | 14.21 | 15.31 | 16.40 | 17.48 |
| 108 | — | — | — | 10.26 | 11.49 | 12.70 | 13.90 | 15.09 | 16.27 | 17.44 | 18.59 |
| 114 | — | — | — | 10.85 | 12.15 | 13.44 | 14.72 | 15.98 | 17.23 | 18.47 | 19.70 |
| 121 | — | — | — | 11.54 | 19.93 | 14.30 | 15.67 | 17.02 | 18.35 | 19.68 | 20.99 |
| 127 | — | — | — | 12.13 | 13.59 | 15.04 | 16.48 | 17.90 | 19.32 | 20.72 | 22.10 |
| 133 | — | — | — | 12.73 | 14.26 | 15.78 | 17.29 | 18.79 | 20.28 | 21.75 | 23.21 |
| 140 | — | — | — | — | 15.04 | 16.65 | 18.24 | 19.83 | 21.40 | 22.96 | 24.51 |
| 146 | — | — | — | — | 15.70 | 17.39 | 19.06 | 20.72 | 22.36 | 24.00 | 25.62 |
| 159 | — | — | — | — | 17.15 | 18.99 | 20.82 | 22.64 | 24.45 | 26.24 | 28.02 |
| 168 | — | — | — | — | — | 20.10 | 22.04 | 23.97 | 25.89 | 27.79 | 29.69 |
| 180 | — | — | — | — | — | 21.59 | 23.70 | 25.75 | 27.70 | 29.87 | 31.91 |
| 194 | — | — | — | — | — | 23.31 | 25.60 | 27.82 | 30.00 | 32.28 | 34.50 |
| 203 | — | — | — | — | — | — | — | 29.14 | 31.50 | 33.83 | 36.16 |
| 219 | — | — | — | — | — | — | — | 31.52 | 34.06 | 36.60 | 39.12 |
| 245 | — | — | — | — | — | — | — | — | 38.23 | 41.09 | 43.85 |
| 273 | — | — | — | — | — | — | — | — | 42.64 | 45.94 | 49.10 |
| 299 | — | — | — | — | — | — | — | — | — | — | 53.91 |
| 325 | — | — | — | — | — | — | — | — | — | — | 58.74 |
| 外徑/mm | 壁厚/mm | ||||||||||
| 8 | 8.5 | 9 | 9.5 | 10 | 11 | 12 | 13 | 14 | 15 | ||
| 理論重量/(kg/m) | |||||||||||
| 32 | 4.74 | — | — | — | — | — | — | — | — | — | |
| 38 | 5.92 | — | — | — | — | — | — | — | — | — | |
| 42 | 6.71 | 7.02 | 7.32 | 7.60 | 7.88 | — | — | — | — | — | |
| 45 | 7.30 | 7.65 | 7.99 | 8.32 | 8.63 | — | — | — | — | — | |
| 50 | 8.29 | 8.70 | 9.10 | 9.49 | 9.86 | — | — | — | — | — | |
| 54 | 9.08 | 9.54 | 9.99 | 10.43 | 10.85 | 11.67 | — | — | — | — | |
| 57 | 9.67 | 10.17 | 10.65 | 11.13 | 11.59 | 12.48 | 13.32 | 14.11 | — | — | |
| 60 | 10.26 | 10.80 | 11.32 | 11.83 | 12.33 | 13.29 | 14.21 | 15.07 | 15.88 | ||
| 63.5 | 10.95 | 11.53 | 12.10 | 12.65 | 13.19 | 14.24 | 15.24 | 16.19 | 17.09 | ||
| 68 | 11.84 | 12.47 | 13.10 | 13.71 | 14.30 | 15.46 | 16.57 | 17.63 | 18.64 | 19.61 | |
| 70 | 12.23 | 12.89 | 13.54 | 14.17 | 14.80 | 16.01 | 17.16 | 18.27 | 19.33 | 20.35 | |
| 73 | 12.82 | 13.52 | 14.21 | 14.88 | 15.54 | 16.82 | 18.05 | 19.24 | 20.37 | 21.46 | |
| 76 | 13.42 | 14.15 | 14.87 | 15.58 | 16.28 | 17.63 | 18.94 | 20.20 | 21.41 | 22.57 | |
| 83 | 14.80 | 15.62 | 16.42 | 17.22 | 18.00 | 19.53 | 21.01 | 22.44 | 23.82 | 25.15 | |
| 89 | 15.98 | 16.87 | 17.76 | 18.63 | 19.48 | 21.16 | 22.79 | 24.37 | 25.89 | 27.37 | |
| 95 | 17.16 | 18.13 | 19.09 | 20.03 | 20.96 | 22.79 | 24.56 | 26.29 | 27.97 | 29.59 | |
| 102 | 18.55 | 19.60 | 20.64 | 21.67 | 22.69 | 24.69 | 26.53 | 28.63 | 30.38 | 32.18 | |
| 108 | 19.73 | 20.86 | 21.97 | 23.08 | 24.17 | 26.31 | 28.41 | 30.46 | 32.45 | 34.40 | |
| 114 | 20.91 | 22.12 | 23.31 | 24.48 | 25.65 | 27.94 | 30.19 | 32.38 | 34.53 | 36.62 | |
| 121 | 22.29 | 23.58 | 24.86 | 26.12 | 27.37 | 29.84 | 32.26 | 34.62 | 36.94 | 39.21 | |
| 127 | 23.48 | 24.84 | 26.19 | 27.53 | 28.85 | 31.47 | 34.03 | 36.55 | 39.01 | 41.43 | |
| 133 | 24.66 | 36.10 | 27.53 | 28.93 | 30.33 | 33.10 | 35.81 | 38.47 | 41.09 | 43.65 | |
| 140 | 26.04 | 27.57 | 29.08 | 30.57 | 32.06 | 34.99 | 37.88 | 40.72 | 43.50 | 46.24 | |
| 146 | 27.23 | 28.82 | 30.41 | 31.98 | 33.54 | 36.62 | 39.66 | 42.64 | 45.57 | 48.46 | |
| 152 | 28.41 | 30.08 | 31.74 | 33.39 | 35.02 | 38.25 | 41.43 | 44.56 | 47.65 | 50.68 | |
| 159 | 29.79 | 31.55 | 33.29 | 35.03 | 36.75 | 40.15 | 43.50 | 46.81 | 50.06 | 53.27 | |
| 168 | 31.57 | 33.43 | 35.29 | 37.13 | 38.97 | 42.59 | 46.17 | 49.69 | 53.17 | 56.60 | |
| 180 | 33.93 | 35.95 | 37.95 | 39.95 | 41.92 | 45.85 | 49.72 | 53.54 | 57.31 | 61.04 | |
| 194 | 36.70 | 28.89 | 40.06 | 43.23 | 45.38 | 49.64 | 53.86 | 58.03 | 62.15 | 66.22 | |
| 203 | 38.47 | 40.77 | 43.05 | 45.33 | 47.59 | 52.08 | 56.52 | 60.91 | 65.94 | 69.54 | |
| 219 | 41.63 | 44.12 | 46.61 | 49.08 | 51.54 | 56.43 | 61.26 | 66.04 | 70.78 | 75.46 | |
| 245 | 46.76 | 49.56 | 52.38 | 55.17 | 57.95 | 63.48 | 68.95 | 74.38 | 79.76 | 83.08 | |
| 273 | 52.28 | 55.45 | 58.60 | 61.73 | 64.86 | 71.07 | 77.24 | 83.36 | 89.42 | 95.44 | |
| 299 | 57.41 | 60.89 | 64.37 | 67.38 | 71.27 | 78.13 | 84.93 | 91.69 | 98.40 | 105.06 | |
| 325 | 62.54 | 66.35 | 70.14 | 73.92 | 77.68 | 85.18 | 92.63 | 100.03 | 107.38 | 114.68 | |
| 351 | 67.67 | 71.80 | 75.91 | 80.01 | 84.10 | 92.23 | 100.32 | 108.36 | 116.35 | 124.29 | |
| 377 | — | — | 81.68 | 86.10 | 90.51 | 99.29 | 108.02 | 117.00 | 125.33 | 133.91 | |
| 402 | — | — | 87.21 | 91.95 | 96.67 | 106.06 | 115.41 | 124.71 | 133.94 | 143.15 | |
| 426 | — | — | 92.55 | 97.57 | 102.59 | 112.58 | 122.52 | 132.41 | 142.25 | 152.04 | |
| 450 | — | — | 97.87 | 103.20 | 108.50 | 119.08 | 130.61 | 140.09 | 150.52 | 160.90 | |
| 480 | — | — | 104.52 | 110.22 | 115.90 | 127.22 | 139.49 | 149.71 | 160.88 | 172.00 | |
| 500 | — | — | 108.96 | 114.91 | 120.83 | 132.65 | 145.41 | 156.12 | 167.79 | 179.40 | |
| 530 | — | — | 115.62 | 121.94 | 128.23 | 140.78 | 154.29 | 165.74 | 178.14 | 190.50 | |
| 560 | — | — | 122.28 | 128.97 | 135.63 | 148.92 | 163.16 | 175.36 | 188.50 | 201.60 | |
| 600 | — | — | 131.17 | 138.34 | 145.50 | 159.78 | 175.00 | 188.18 | 202.31 | 216.39 | |
| 630 | — | — | 137.81 | 145.36 | 152.89 | 167.91 | 183.88 | 197.80 | 212.67 | 227.49 | |
| 外徑/mm | 壁厚/mm | ||||||||||
| 16 | 17 | 18 | 19 | 20 | 22 | 25 | 28 | ||||
| 理論重量/(kg/m) | |||||||||||
| 57 | — | — | — | — | — | — | — | — | |||
| 68 | 20.52 | — | — | — | — | — | — | — | |||
| 70 | 21.31 | — | — | — | — | — | — | — | |||
| 73 | 22.49 | 23.48 | 24.41 | 25.30 | — | — | — | — | |||
| 76 | 23.68 | 24.74 | 25.75 | 26.71 | — | — | — | — | |||
| 83 | 26.44 | 27.67 | 28.85 | 29.99 | — | — | — | — | |||
| 89 | 28.80 | 30.19 | 31.52 | 32.80 | 34.03 | 36.35 | — | — | |||
| 95 | 31.17 | 32.70 | 34.18 | 35.61 | 36.99 | 39.61 | — | — | |||
| 102 | 33.93 | 35.64 | 37.29 | 38.89 | 40.44 | 43.40 | — | — | |||
| 108 | 36.30 | 38.15 | 39.95 | 41.70 | 43.40 | 46.66 | 51.17 | 55.24 | |||
| 114 | 38.67 | 40.67 | 42.62 | 44.51 | 46.36 | 49.91 | 54.87 | 59.39 | |||
| 121 | 41.43 | 43.60 | 45.72 | 47.79 | 49.82 | 53.71 | 59.19 | 64.22 | |||
| 127 | 43.80 | 46.12 | 48.39 | 50.61 | 52.78 | 56.97 | 62.89 | 68.36 | |||
| 133 | 46.17 | 48.63 | 51.05 | 53.42 | 55.73 | 60.22 | 66.59 | 72.50 | |||
| 140 | 48.93 | 51.57 | 54.16 | 56.70 | 59.19 | 64.02 | 70.90 | 77.34 | |||
| 146 | 51.30 | 54.08 | 56.82 | 59.51 | 62.15 | 67.27 | 74.60 | 81.48 | |||
| 152 | 53.66 | 56.60 | 59.48 | 62.32 | 65.11 | 70.59 | 78.30 | 85.62 | |||
| 159 | 56.43 | 59.53 | 62.59 | 65.60 | 68.56 | 74.33 | 82.62 | 90.46 | |||
| 168 | 59.98 | 63.31 | 66.59 | 69.82 | 73.00 | 73.21 | 88.16 | 96.67 | |||
| 180 | 64.71 | 68.34 | 71.91 | 75.44 | 78.92 | 85.72 | 95.56 | 104.96 | |||
| 194 | 70.24 | 74.21 | 78.13 | 82.00 | 85.28 | 93.32 | 104.19 | 114.63 | |||
| 203 | 73.78 | 77.97 | 81.12 | 86.21 | 90.26 | 98.20 | 109.74 | 120.83 | |||
| 219 | 80.10 | 84.69 | 89.23 | 93.71 | 98.15 | 106.88 | 119.61 | 131.89 | |||
| 245 | 90.36 | 95.59 | 100.77 | 105.90 | 110.98 | 120.99 | 135.64 | 149.84 | |||
| 273 | 101.41 | 107.33 | 113.20 | 119.02 | 124.79 | 136.18 | 152.90 | 169.18 | |||
| 299 | 111.67 | 118.23 | 124.74 | 131.20 | 137.61 | 150.29 | 168.93 | 187.13 | |||
| 325 | 121.93 | 129.13 | 136.28 | 143.38 | 150.44 | 164.39 | 184.96 | 205.09 | |||
| 351 | 132.19 | 140.03 | 147.82 | 155.56 | 163.26 | 178.50 | 200.99 | 233.04 | |||
| 377 | 142.44 | 150.93 | 159.36 | 167.75 | 176.08 | 192.61 | 217.02 | 240.99 | |||
| 402 | 150.30 | 161.40 | 170.45 | 179.45 | 188.40 | 206.16 | 232.42 | 258.24 | |||
| 426 | 161.78 | 171.47 | 181.11 | 190.71 | 200.25 | 219.19 | 247.23 | 274.83 | |||
| 450 | 171.24 | 181.52 | 191.76 | 201.94 | 212.08 | 232.20 | 262.01 | 291.38 | |||
| 480 | 183.08 | 194.10 | 205.07 | 216.00 | 226.87 | 248.47 | 280.51 | 312.10 | |||
| 500 | 190.97 | 202.48 | 213.95 | 225.37 | 236.74 | 259.32 | 292.84 | 325.91 | |||
| 530 | 202.80 | 215.06 | 227.27 | 239.42 | 251.53 | 275.60 | 317.50 | 346.62 | |||
| 560 | 214.64 | 227.64 | 240.58 | 253.48 | 266.33 | 291.88 | — | — | |||
| 600 | 230.42 | 244.40 | 258.34 | 272.22 | 286.06 | 291.88 | — | — | |||
| 630 | 242.26 | 256.98 | 271.66 | 286.28 | 300.85 | 329.85 | — | — | |||
| 外徑/mm | 壁厚/mm | ||||||||||
| 30 | 32 | 36 | 40 | 50 | 56 | 60 | 63 | 70 | 75 | ||
| 理論重量/(kg/m) | |||||||||||
| 127 | 71.26 | — | — | — | — | — | — | — | — | — | |
| 133 | 76.20 | 79.71 | — | — | — | — | — | — | — | — | |
| 140 | 81.38 | 85.23 | 92.33 | — | — | — | — | — | — | — | |
| 146 | 85.82 | 89.97 | 97.66 | — | — | — | — | — | — | — | |
| 152 | 90.26 | 94.70 | 102.99 | — | — | — | — | — | — | — | |
| 159 | 95.44 | 100.22 | 109.20 | — | — | — | — | — | — | — | |
| 168 | 102.10 | 107.33 | 117.19 | 126.27 | — | — | — | — | — | — | |
| 180 | 110.98 | 116.80 | 127.85 | 138.10 | — | — | — | — | — | — | |
| 194 | 121.33 | 127.85 | 140.27 | 151.91 | — | — | — | — | — | — | |
| 203 | 127.99 | 134.94 | 148.26 | 160.78 | — | — | — | — | — | — | |
| 219 | 139.83 | 147.57 | 162.47 | 176.58 | — | — | — | — | — | — | |
| 245 | 159.07 | 168.09 | 185.55 | 202.22 | — | — | — | — | — | — | |
| 273 | 179.78 | 190.19 | 185.55 | 202.22 | — | — | — | — | — | — | |
| 299 | 199.02 | 210.71 | 233.50 | 255.49 | — | — | — | — | — | — | |
| 325 | 218.25 | 231.23 | 256.53 | 281.14 | — | — | — | — | — | — | |
| 351 | 237.49 | 251.74 | 279.66 | 306.76 | — | — | — | — | — | — | |
| 377 | 256.73 | 272.26 | 302.77 | 332.44 | — | — | — | — | — | — | |
| 402 | 275.21 | 291.18 | 324.92 | 357.08 | — | — | — | — | — | — | |
| 426 | 292.98 | 310.93 | 346.27 | 380.77 | — | — | — | — | — | — | |
| 450 | 310.72 | 329.84 | 307.53 | 404.42 | — | — | — | — | — | — | |
| 480 | 332.91 | 353.52 | 394.17 | 463.01 | — | — | — | — | — | — | |
| 500 | 347.71 | 369.30 | 411.92 | 453.74 | — | — | — | — | — | — | |
| 530 | 369.90 | 392.92 | 438.55 | 483.34 | — | — | — | — | — | — | |
| 203 | — | — | — | — | 188.65 | — | — | — | — | — | |
| 219 | — | — | — | — | 208.38 | — | — | — | — | — | |
| 245 | — | — | — | — | 240.44 | — | — | — | — | — | |
| 273 | — | — | — | — | 274.96 | — | — | — | — | — | |
| 299 | — | — | — | — | 307.02 | 335.57 | 353.62 | 366.64 | 395.30 | 414.29 | |
| 325 | — | — | — | — | 339.10 | 371.49 | 392.09 | 407.04 | 440.34 | 462.28 | |
| 351 | — | — | — | — | 371.16 | 407.40 | 430.59 | 447.43 | 485.24 | 510.46 | |
| 377 | — | — | — | — | 403.22 | 442.30 | 469.06 | 484.82 | 529.98 | 558.55 | |
| 402 | — | — | — | — | 434.01 | 477.81 | 506.02 | 526.66 | 573.10 | 604.79 | |
| 426 | — | — | — | — | 463.64 | 510.97 | 541.57 | 560.47 | 614.56 | 649.21 | |
| 450 | — | — | — | — | 493.20 | 544.10 | 577.04 | 601.24 | 655.96 | 693.56 | |
| 480 | — | — | — | — | 530.19 | 585.53 | 621.43 | 632.31 | 707.24 | 749.05 | |
| 500 | — | — | — | — | 554.85 | 613.15 | 651.02 | 678.91 | 742.27 | 786.04 | |
| 530 | — | — | — | — | 591.84 | 654.58 | 695.41 | 725.52 | 794.05 | 841.52 | |
注:鋼管長為 3~12.5m。
| 外徑/mm | 壁厚/mm | |||||||||||||||||
| 0.25 | 0.30 | 0.40 | 0.50 | 0.60 | 0.80 | 1.0 | 1.2 | 1.4 | 1.5 | 1.6 | 1.8 | 2.0 | 2.2(2.3) | 2.5(2.6) | 2.8 | |||
| 系列 1 | 系列 2 | 系列 3 | 單位長度理論質量/(kg/m) | |||||||||||||||
| 6 | 0.035 | 0.042 | 0.055 | 0.068 | 0.080 | 0.103 | 0.123 | 0.142 | 0.159 | 0.166 | 0.174 | 0.186 | 0.197 | |||||
| 7 | 0.042 | 0.050 | 0.065 | 0.080 | 0.095 | 0.122 | 0.148 | 0.172 | 0.193 | 0.203 | 0.213 | 0.231 | 0.247 | 0.260 | 0.277 | |||
| 8 | 0.048 | 0.057 | 0.075 | 0.092 | 0.110 | 0.142 | 0.173 | 0.201 | 0.228 | 0.240 | 0.253 | 0.275 | 0.296 | 0.315 | 0.339 | |||
| 9 | 0.054 | 0.064 | 0.085 | 0.105 | 0.124 | 0.162 | 0.197 | 0.231 | 0.262 | 0.277 | 0.292 | 0.320 | 0.345 | 0.369 | 0.401 | 0.428 | ||
| 10 | 0.060 | 0.072 | 0.095 | 0.117 | 0.139 | 0.182 | 0.222 | 0.261 | 0.097 | 0.314 | 0.332 | 0.364 | 0.395 | 0.423 | 0.462 | 0.497 | ||
| 11 | 0.066 | 0.079 | 0.105 | 0.129 | 0.154 | 0.201 | 0.247 | 0.290 | 0.331 | 0.351 | 0.371 | 0.408 | 0.444 | 0.477 | 0.524 | 0.566 | ||
| 12 | 0.072 | 0.087 | 0.115 | 0.142 | 0.169 | 0.221 | 0.271 | 0.320 | 0.366 | 0.388 | 0.410 | 0.453 | 0.493 | 0.532 | 0.586 | 0.635 | ||
| 13 | 0.079 | 0.094 | 0.124 | 0.154 | 0.184 | 0.241 | 0.296 | 0.349 | 0.400 | 0.425 | 0.450 | 0.497 | 0.543 | 0.596 | 0.647 | 0.704 | ||
| 13.5 | 0.082 | 0.098 | 0.129 | 0.160 | 0.191 | 0.251 | 0.308 | 0.364 | 0.418 | 0.444 | 0.470 | 0.519 | 0.567 | 0.613 | 0.678 | 0.739 | ||
| 14 | 0.085 | 0.101 | 0.134 | 0.166 | 0.198 | 0.260 | 0.321 | 0.179 | 0.435 | 0.462 | 0.490 | 0.542 | 0.592 | 0.640 | 0.709 | 0.773 | ||
| 16 | 0.197 | 0.116 | 0.154 | 0.191 | 0.228 | 0.300 | 0.370 | 0.438 | 0.504 | 0.536 | 0.568 | 0.630 | 0.691 | 0.749 | 0.832 | 0.91 | ||
| 17 | 0.103 | 0.124 | 0.164 | 0.203 | 0.243 | 0.320 | 0.395 | 0.468 | 0.539 | 0.573 | 0.608 | 0.675 | 0.740 | 0.803 | 0.894 | 0.98 | ||
| 18 | 0.109 | 0.131 | 0.174 | 0.216 | 0.258 | 0.340 | 0.419 | 0.497 | 0.573 | 0.610 | 0.647 | 0.719 | 0.789 | 0.857 | 0.956 | 1.05 | ||
| 19 | 0.115 | 0.138 | 0.183 | 0.228 | 0.272 | 0.359 | 0.444 | 0.527 | 0.608 | 0.647 | 0.687 | 0.763 | 0.838 | 0.911 | 1.02 | 1.12 | ||
| 20 | 0.122 | 0.146 | 0.193 | 0.240 | 0.287 | 0.379 | 0.469 | 0.556 | 0.642 | 0.684 | 0.726 | 0.808 | 0.888 | 0.966 | 1.08 | 1.19 | ||
| 21 | 0.203 | 0.253 | 0.302 | 0.399 | 0.493 | 0.586 | 0.677 | 0.721 | 0.765 | 0.852 | 0.937 | 1.02 | 1.14 | 1.26 | ||||
| 22 | 0.212 | 0.265 | 0.317 | 0.418 | 0.518 | 0.616 | 0.711 | 0.758 | 0.805 | 0.897 | 0.986 | 1.07 | 1.20 | 1.33 | ||||
| 25 | 0.242 | 0.302 | 0.361 | 0.477 | 0.592 | 0.704 | 0.815 | 0.869 | 0.923 | 1.03 | 1.13 | 1.24 | 1.39 | 1.53 | ||||
| 25.4 | 0.247 | 0.307 | 0.367 | 0.485 | 0.602 | 0.714 | 0.829 | 0.884 | 0.939 | 1.05 | 1.15 | 1.26 | 1.41 | 1.56 | ||||
| 27 | 0.262 | 0.327 | 0.391 | 0.517 | 0.641 | 0.763 | 0.884 | 0.943 | 1.00 | 1.13 | 1.23 | 1.34 | 1.51 | 1.67 | ||||
| 28 | 0.272 | 0.339 | 0.406 | 0.537 | 0.666 | 0.793 | 0.918 | 0.98 | 1.04 | 1.16 | 1.28 | 1.40 | 1.57 | 1.88 | ||||
| 30 | 0.292 | 0.364 | 0.435 | 0.576 | 0.715 | 0.852 | 0.987 | 1.05 | 1.12 | 1.25 | 1.38 | 1.51 | 1.70 | 1.88 | ||||
| 32 | 0.311 | 0.388 | 0.465 | 0.616 | 0.765 | 0.911 | 1.056 | 1.13 | 1.20 | 1.34 | 1.48 | 1.62 | 1.82 | 2.02 | ||||
| 34 | 0.331 | 0.413 | 0.494 | 0.655 | 0.814 | 0.971 | 1.125 | 1.20 | 1.28 | 1043 | 1.58 | 1.72 | 1.94 | 2.15 | ||||
| 35 | 0.341 | 0.425 | 0.509 | 0.675 | 0.838 | 1.000 | 1.160 | 1.24 | 1.322 | 1.47 | 1.63 | 1.78 | 2.00 | 2.22 | ||||
| 38 | 0.370 | 0.462 | 0.553 | 0.734 | 0.912 | 1.089 | 1.26 | 1.35 | 1.44 | 1.61 | 1.78 | 1.94 | 2.19 | 2.43 | ||||
| 40 | 0.390 | 0.487 | 0.583 | 0.774 | 0.962 | 1.148 | 1.33 | 1.42 | 4.52 | 1.69 | 1.87 | 2.05 | 2.31 | 2.57 | ||||
| 42 | 1.01 | 1.21 | 1.40 | 1.50 | 1.60 | 1.79 | 1.97 | 2.16 | 2.44 | 2.71 | ||||||||
| 45 | 1.09 | 1.30 | 1.51 | 1.61 | 1.71 | 1.92 | 2.12 | 2.32 | 2.62 | 2.91 | ||||||||
| 48 | 1.16 | 1.39 | 1.61 | 1.72 | 1.83 | 2.05 | 2.27 | 2.48 | 2.81 | 3.12 | ||||||||
| 51 | 1.23 | 1.47 | 1.71 | 1.83 | 1.95 | 2.18 | 2.42 | 2.65 | 2.99 | 3.33 | ||||||||
| 54 | 1.31 | 1.56 | 1.82 | 1.94 | 2.07 | 2.32 | 2.56 | 2.81 | 3.18 | 3.54 | ||||||||
| 57 | 1.38 | 1.65 | 1.95 | 2.05 | 2.19 | 2.45 | 2.71 | 2.97 | 3.36 | 3.74 | ||||||||
| 60 | 1.46 | 1.74 | 2.02 | 2.16 | 2.31 | 2.58 | 2.86 | 3.14 | 3.55 | 3.95 | ||||||||
| 63 | 1.53 | 1.83 | 2.13 | 2.27 | 2.42 | 2.72 | 3.01 | 3.30 | 3.73 | 4.16 | ||||||||
| 65 | 1.58 | 1.89 | 2.20 | 2.35 | 2.50 | 2.81 | 3.11 | 3.41 | 3.85 | 4.29 | ||||||||
| 68 | 1.65 | 1.98 | 2.30 | 2.46 | 2.62 | 2.94 | 3.26 | 3.57 | 4.04 | 4.50 | ||||||||
| 70 | 1.70 | 2.04 | 2.37 | 2.53 | 2.70 | 3.03 | 3.35 | 3.68 | 4.16 | 4.64 | ||||||||
| 73 | 1.78 | 2.12 | 2.47 | 2.64 | 2.82 | .316 | 3.50 | 3.84 | 4.35 | 4.85 | ||||||||
| 76 | 1.85 | 2.12 | 2.58 | 2.76 | 2.94 | 3.29 | 3.65 | 4.00 | 4.53 | 5.05 | ||||||||
| 77 | 2.61 | 2.79 | 2.98 | 3.34 | 3.70 | 4.06 | 4.59 | 5.12 | ||||||||||
| 80 | 2.71 | 2.90 | 3.09 | 3.47 | 3.85 | 4.22 | 4.78 | 5.33 | ||||||||||
| 外徑/mm | 壁厚/mm | |||||||||||||||||
| (2.9)3.0 | 3.2 | 3.5(3.6) | 4.0 | 4.5 | 5.0 | (5.4)5.5 | 6.0 | (6.3)6.5 | 7.0(7.1) | 7.5 | 8.0 | 8.5 | (8.8)9.0 | 9.5 | 10 | |||
| 系列 1 | 系列 2 | 系列 3 | 單位長度理論質量/(kg/m) | |||||||||||||||
| 83 | 5.92 | 6.30 | 6.86 | 7.79 | 8.71 | 9.62 | 10.51 | 11.39 | 12.26 | 13.12 | 13.96 | 14.80 | 15.62 | 16.42 | 17.22 | 18.00 | ||
| 85 | 6.07 | 6.46 | 7.04 | 7.99 | 8.93 | 9.86 | 10.78 | 11.69 | 12.58 | 13.46 | 14.33 | 15.19 | 16.04 | 16.87 | 17.69 | 18.49 | ||
| 89 | 6.36 | 6.77 | 7.38 | 8.38 | 9.38 | 10.36 | 11.33 | 12.28 | 13.22 | 14.16 | 15.07 | 15.98 | 16.87 | 17.76 | 18.63 | 19.48 | ||
| 95 | 6.81 | 7.24 | 7.90 | 8.98 | 10.04 | 11.10 | 12.14 | 13.17 | 14.19 | 15.19 | 16.18 | 17.16 | 18.13 | 19.09 | 20.03 | 20.96 | ||
| 102 | 7.32 | 7.80 | 8.50 | 9.67 | 10.82 | 11.96 | 13.09 | 14.21 | 15.31 | 16.40 | 17.48 | 18.55 | 19.60 | 20.64 | 21.67 | 22.69 | ||
| 108 | 7.77 | 8.27 | 9.02 | 10.26 | 11.49 | 12.70 | 13.90 | 15.09 | 16.27 | 17.44 | 18.59 | 19.73 | 20.86 | 21.97 | 23.08 | 24.17 | ||
| 114 | 27.94 | 30.19 | 32.38 | 34.52 | 36.62 | 38.67 | 40.66 | 42.61 | 44.51 | 46.36 | 49.91 | 53.27 | 54.87 | 56.42 | 59.38 | 62.15 | ||
| 121 | 29.84 | 32.26 | 34.62 | 36.94 | 39.21 | 41.43 | 43.60 | 45.72 | 47.79 | 49.81 | 53.71 | 57.41 | 59.18 | 60.91 | 64.21 | 67.83 | ||
| 127 | 31.47 | 34.03 | 36.55 | 39.01 | 41.13 | 43.80 | 46.12 | 48.38 | 50.60 | 52.77 | 56.96 | 60.96 | 62.88 | 64.76 | 68.36 | 71.76 | ||
| 133 | 33.10 | 35.81 | 38.47 | 41.08 | 43.65 | 46.16 | 48.63 | 51.05 | 53.41 | 55.73 | 60.22 | 64.51 | 66.58 | 68.60 | 72.50 | 76.20 | ||
| 140 | 34.99 | 37.88 | 40.71 | 43.50 | 46.24 | 48.93 | 51.56 | 54.15 | 56.63 | 59.18 | 64.02 | 68.65 | 70.90 | 73.09 | 77.33 | 81.38 | ||
| 142 | 35.54 | 38.47 | 41.36 | 44.19 | 46.98 | 49.72 | 52.41 | 55.04 | 47.36 | 60.17 | 65.11 | 68.84 | 72.13 | 74.38 | 78.72 | 82.86 | ||
| 146 | 36.62 | 39.66 | 42.64 | 45.57 | 48.46 | 51.29 | 54.08 | 56.82 | 59.50 | 62.14 | 67.27 | 72.20 | 74.60 | 76.94 | 81.48 | 85.82 | ||
| 152 | 38.25 | 41.43 | 44.56 | 47.64 | 50.68 | 53.66 | 56.59 | 59.48 | 62.32 | 65.10 | 70.53 | 75.76 | 78.30 | 80.79 | 85.62 | 90.26 | ||
| 159 | 40.15 | 43.50 | 46.80 | 50.06 | 53.27 | 56.42 | 59.53 | 62.59 | 65.60 | 68.55 | 74.33 | 79.90 | 82.61 | 85.27 | 90.45 | 95.43 | ||
| 168 | 42.59 | 46.17 | 49.69 | 53.17 | 56.59 | 59.97 | 63.30 | 66.58 | 69.81 | 72.99 | 79.21 | 85.22 | 88.16 | 91.04 | 96.67 | 102.09 | ||
| 180 | 45.84 | 49.72 | 53.54 | 57.31 | 61.03 | 64.71 | 68.33 | 71.91 | 75.43 | 78.91 | 85.72 | 92.33 | 95.56 | 98.74 | 104.95 | 110.97 | ||
| 194 | 49.64 | 53.86 | 58.02 | 62.14 | 66.21 | 70.23 | 74.02 | 78.12 | 81.99 | 85.82 | 93.31 | 100.61 | 104.19 | 107.71 | 114.62 | 121.33 | ||
| 203 | 52.08 | 56.52 | 60.91 | 65.25 | 69.54 | 73.78 | 77.97 | 82.12 | 86.21 | 90.26 | 98.20 | 105.94 | 109.74 | 113.49 | 120.83 | 127.99 | ||
| 219 | 56.42 | 61.26 | 66.04 | 70.77 | 75.46 | 80.10 | 84.68 | 89.22 | 93.71 | 98.15 | 106.88 | 115.41 | 119.60 | 123.74 | 131.88 | 139.82 | ||
| 245 | 63.48 | 68.95 | 74.37 | 79375 | 83.08 | 90.35 | 95.58 | 100.76 | 105.89 | 110.97 | 120.98 | 130.80 | 135.63 | 140.41 | 149.83 | 159.06 | ||
| 273 | 71.07 | 77.24 | 83.35 | 89.42 | 95.43 | 101.40 | 107.23 | 113.19 | 119.01 | 124.78 | 136.17 | 147.37 | 152.89 | 158.37 | 169.17 | 179.77 | ||
| 299 | 78.13 | 84.93 | 91.69 | 98.39 | 105.05 | 111.68 | 118.22 | 124.73 | 131.19 | 137.60 | 150.28 | 162.76 | 168.92 | 175.04 | 187.12 | 199.01 | ||
| 325 | 85.18 | 92.63 | 100.02 | 107.37 | 114.67 | 121.92 | 129.12 | 136.27 | 143.37 | 150.43 | 164.38 | 178.14 | 184.95 | 191.71 | 205.07 | 218.24 | ||
| 340 | 89.25 | 97.07 | 104.84 | 112.56 | 120.22 | 127.85 | 135.42 | 142.94 | 150.41 | 157.83 | 172.53 | 187.03 | 194.21 | 201.34 | 215.44 | 229.35 | ||
| 351 | 92.23 | 100.32 | 108.36 | 116.35 | 124.29 | 132.18 | 140.02 | 147.81 | 155.56 | 163.25 | 178.49 | 193.53 | 200.98 | 208.38 | 223.04 | 237.48 | ||
| 356 | 93.59 | 101.80 | 109.97 | 118.08 | 126.14 | 134.16 | 142.12 | 150.04 | 157.91 | 165.72 | 181.21 | 196.50 | 204.07 | 211.60 | 226.49 | 241.19 | ||
| 377 | 99.28 | 108.02 | 116.69 | 125.32 | 133.90 | 142.44 | 150.92 | 159.35 | 167.74 | 176.07 | 192.59 | 208.92 | 217.01 | 225.05 | 240.98 | 256.71 | ||
| 402 | 106.06 | 115.41 | 124.71 | 133.95 | 143.15 | 152.30 | 161.40 | 170.45 | 179.45 | 188.40 | 206.16 | 233.72 | 232.42 | 241.08 | 258.24 | 275.21 | ||
| 406 | 107.15 | 116.60 | 126.00 | 135.34 | 144.64 | 153.89 | 163.09 | 172.24 | 181.34 | 190.39 | 208.34 | 226.10 | 234.90 | 243.66 | 261.02 | 278.18 | ||
| 426 | 112.58 | 122.52 | 132.40 | 142.24 | 152.03 | 161.77 | 171.46 | 181.10 | 190.70 | 200.24 | 219.18 | 237.92 | 247.22 | 256.46 | 274.81 | 292.96 | ||
| 450 | 119.05 | 130.61 | 140.09 | 150.52 | 160.91 | 171.24 | 181.52 | 191.76 | 201.94 | 212.08 | 232.20 | 252.12 | 262.01 | 271.85 | 291.38 | 310.72 | ||
| 457 | 120.99 | 131.68 | 142.35 | 152.95 | 163.51 | 174.01 | 187.47 | 194.77 | 205.23 | 215.54 | 236.01 | 256.28 | 266.34 | 276.36 | 296.23 | 315.91 | ||
| 480 | 127.22 | 139.49 | 149.71 | 160.88 | 172.00 | 183.08 | 194.10 | 205.07 | 216.00 | 226.37 | 248.47 | 269.88 | 280.51 | 291.09 | 312.10 | 332.91 | ||
| 500 | 132.65 | 145.41 | 156.12 | 167.79 | 179.40 | 190.77 | 202.48 | 213.95 | 225.37 | 236.74 | 259.32 | 281.72 | 292.84 | 303.91 | 325.91 | 347.91 | ||
| 508 | 134.82 | 146.79 | 158.70 | 170.56 | 182.37 | 194.13 | 205.85 | 217.51 | 229.13 | 240.70 | 263.68 | 286.47 | 297.79 | 309.06 | 331.45 | 253.65 | ||
| 530 | 140.78 | 153.29 | 165.74 | 178.14 | 190.50 | 202.80 | 215.06 | 227.27 | 239.42 | 251.53 | 275.60 | 299.47 | 311.33 | 323.14 | 346.62 | 369.90 | ||
| 560 | 148.92 | 163.13 | 175.36 | 188.50 | 201.60 | 214.64 | 227.64 | 240.58 | 253.48 | 266.33 | 291.88 | 317.23 | 329.85 | 342.40 | 367.36 | 392.12 | ||
| 610 | 162.49 | 176.97 | 191.40 | 205.78 | 220.10 | 234.38 | 248.61 | 262.79 | 276.92 | 291.01 | 319.02 | 346.84 | 360.67 | 374.46 | 401.88 | 429.11 | ||
| 630 | 167.91 | 183.88 | 197.80 | 212.67 | 227.49 | 242.26 | 256.98 | 271.65 | 286.28 | 300.85 | 239.85 | 235.66 | 373.00 | 387.28 | 415.69 | 443.91 | ||
| 660 | 176.06 | 191.77 | 207.43 | 223.04 | 238.60 | 254.11 | 269.57 | 284.99 | 300.35 | 315.67 | 346.15 | 376.43 | 391.50 | 406.52 | 436.41 | 466.10 | ||
注:壁厚中括號內的數據是選用。
2)化肥用高壓無縫鋼管:主要用于輸送介質為合成按氨料氣(氫與氮)及氨、甲醇、尿素等;壓力為 22MPa、32MPa,溫度為 -40~400℃ 的化工原料介質的管理,標準為 GB6479—2000《高壓化肥設備用無縫鋼管》。
3)石油裂化用無縫鋼管:主要用于石油精煉廠的爐管、熱交換器及其管道,標準為 GB9948—2006《石油裂化用無縫鋼管》。
4)不銹耐酸無縫鋼管:主要用于化工、石油、機械用管道,尤其適用于輸送強腐蝕性介質、體溫或高溫介質、標準為 GB/T 14976-2002《流體輸送用不銹鋼無縫鋼管》。
無縫鋼管也可分為一般無縫鋼管與專業無縫鋼管兩種,見表 2-4。

5)焊接鋼管:主要用于公稱壓力 ≤1.6MPa 的官道上,因其管壁縱向有一條焊縫,故稱之為焊接鋼管。它可分為低壓流體輸送用焊接鋼管(GB/T 3091—2008,見表 2-5)和螺旋縫焊接鋼管、鋼板卷制直縫焊接鋼管。螺旋縫焊接鋼管適用于水、污水、空氣、采暖蒸汽等常溫低壓流體的輸送,螺旋縫埋弧焊鋼管的常用規格(SY/T 5037-2000)見表 2-6。
| 公稱口徑/mm | 公稱外徑/mm | 普通鋼管 | 加厚鋼管 | ||
| 公稱壁厚/mm | 理論質量/(kg/m) | 公稱壁厚/mm | 理論質量/(kg/m) | ||
| 6 | 10.2 | 2.0 | 0.40 | 2.5 | 0.47 |
| 8 | 13.4 | 2.5 | 0.68 | 2.8 | 0.74 |
| 10 | 17.2 | 2.5 | 0.91 | 2.8 | 0.99 |
| 15 | 21.3 | 2.8 | 1.28 | 3.5 | 1.54 |
| 20 | 26.9 | 2.8 | 1.66 | 3.5 | 2.02 |
| 25 | 33.7 | 3.2 | 2.41 | 4.0 | 2.93 |
| 32 | 42.4 | 3.5 | 3.36 | 4.0 | 3.79 |
| 40 | 48.3 | 3.5 | 3.87 | 4.5 | 4.86 |
| 50 | 60.3 | 3.8 | 5.29 | 4.5 | 6.19 |
| 65 | 76.1 | 4.0 | 7.11 | 4.5 | 7.95 |
| 80 | 88.9 | 4.0 | 8.38 | 5.0 | 10.35 |
| 100 | 114.3 | 4.0 | 10.88 | 5.0 | 13.48 |
| 125 | 139.7 | 4.0 | 13.39 | 5.5 | 18.20 |
| 150 | 168.3 | 4.5 | 18.18 | 6.0 | 24.02 |
| 公稱外徑/mm | 公稱壁厚/mm | ||||||||||||||
| 5 | 5.4 | 5.6 | 6 | 6.3 | 7.1 | 8 | 8.8 | 10 | 11 | 12.5 | 14.2 | 16 | 17.5 | 20 | |
| 理論質量/(kg/m) | |||||||||||||||
| 273 | 33.05 | 35.64 | 36.93 | 39.51 | 41.44 | 46.56 | 52.28 | 57.34 | 64.86 | ||||||
| 323.9 | 39.32 | 42.42 | 43.96 | 47.04 | 49.34 | 55.47 | 62.32 | 68.38 | 77.41 | ||||||
| 355.6 | 43.23 | 46.64 | 48.34 | 51.73 | 54.27 | 61.02 | 68.58 | 75.26 | 85.23 | ||||||
| (377) | 45.87 | 49.49 | 51.29 | 54.90 | 57.59 | 64.77 | 72.80 | 79.91 | 90.51 | ||||||
| 406.4 | 49.50 | 53.40 | 55.35 | 59.25 | 62.16 | 69.92 | 78.60 | 86.29 | 97.76 | 107.26 | |||||
| (426) | 51.91 | 56.01 | 58.06 | 62.15 | 65.21 | 73.35 | 82.47 | 90.54 | 102.59 | 112.58 | |||||
| 457 | 55.73 | 60.14 | 62.34 | 66.73 | 70.02 | 78.78 | 88.58 | 97.27 | 110.24 | 120.99 | 137.03 | ||||
| 508 | 69.38 | 74.28 | 77.95 | 87.71 | 98.65 | 108.34 | 122.81 | 134.82 | 152.75 | ||||||
| (529) | 72.28 | 77.39 | 81.21 | 91.38 | 102.79 | 112.89 | 127.99 | 140.52 | 159.22 | ||||||
| 559 | 76.43 | 81.83 | 85.87 | 96.64 | 108.71 | 119.41 | 135.39 | 148.66 | 168.47 | ||||||
| 610 | 89.37 | 93.80 | 105.57 | 118.77 | 130.47 | 147.97 | 162.49 | 184.19 | |||||||
| (630) | 92.33 | 96.90 | 109.07 | 122.72 | 134.81 | 152.90 | 167.92 | 190.36 | |||||||
| 660 | 96.77 | 101.56 | 114.32 | 128.63 | 141.32 | 160.30 | 176.06 | 199.6 | 226.15 | ||||||
| 711 | 109.49 | 123.25 | 138.70 | 152.39 | 172.88 | 189.89 | 215.33 | 244.01 | |||||||
| (720) | 110.89 | 124.83 | 140.47 | 154.35 | 175.10 | 192.34 | 218.10 | 247.17 | |||||||
| 762 | 117.41 | 132.18 | 148.76 | 163.46 | 185.45 | 203.73 | 231.05 | 261.87 | |||||||
| 813 | 125.33 | 141.11 | 158.82 | 174.53 | 198.03 | 217.56 | 246.77 | 279.73 | |||||||
| 864 | 133.26 | 150.04 | 168.88 | 185.60 | 210.61 | 231.40 | 262.49 | 297.59 | 334.61 | ||||||
| 914 | 178.75 | 196.45 | 222.94 | 244.96 | 277.90 | 315.10 | 354.34 | ||||||||
| 1016 | 198.87 | 218.58 | 248.09 | 272.63 | 309.35 | 350.82 | 394.58 | ||||||||
注:外徑中括號內的數據是選用。
焊接鋼管用于石油和天然氣長距離輸送管道較多。我國出口的鋼管中焊接鋼管比無縫鋼管多,近年來,美國進口焊接鋼管 1/3 是中國產品。
(2)有色金屬管
1)銅及銅合金管:管道工程用銅管管材有純銅管(工業純銅)、黃銅管(銅鋅合金與特殊黃銅)和青銅管(鋁青銅和錫青銅等)。按制造方法,銅管又可分為拉制管、軋制管和擠制管等,一般中、低壓管道采用拉制管。純銅管和黃銅管大多用于制造換熱設備、制冷系統、化工管路、以及儀表的測壓管線或傳送液體的管線上。
純銅管適用于工作壓力在 4MPa 一下、溫度為 -196~250℃ 的管路、黃銅管適用于工作壓力在 22MPa 以下、溫度為 -158~120℃ 的管路。在制冷系統中,銅管適用于工作壓力低于 2MPa、溫度為 -20~150℃,輸送制冷劑與潤滑油的管路上,近年來已用在室內燃氣管路及高級賓館的冷熱水系統上。
2)鋁及鋁合金管:鋁及鋁合金管只要用于輸送脂肪酸、硫化氫、二氧化碳和硝酸、醋酸等管道。它一般采用拉制和擠壓等方法生產;其有質量輕、不銹蝕等特點,但其機械強度較差,不能承受較高壓力。
3)鈦管:鈦管常用于其他管材無法勝任的工藝部位,其主要特點是質量輕、強度高、耐腐蝕、耐低溫,適用溫度范圍為 -140~250℃,當溫度高于 250℃ 時,其力學性能下降。
(3)鑄鐵管
1)高硅鑄鐵管:高硅管道是由含碳量在 0.5%~1.2%(質量分數,下同),含硅量在 10%~17% 的鐵硅合金組成,具有很高的耐腐蝕性能。常用的高硅鑄鐵含硅量為 14.5%,隨著硅含量的增加,耐腐蝕性能增大,但脆性也變大。一般使用壓力為 0.25MPa 以下。
2)普通鑄鐵管:普通承插鑄鐵管用于給排水管道,按壓力不同分為低壓管(<0.45MPa)、中壓管(0.45~0.75MPa)和高壓管(0.75~1.0MPa),將管與法蘭鑄成一體的普通法蘭鑄鐵管拆卸方便,應用較廣泛。
(4)非金屬管
1)耐酸酚醛塑料管:耐酸酚醛塑料管具有良好的耐腐蝕性能,能抗大部分酸性、有機溶劑等腐蝕,但不耐堿性及強氧化性的酸腐蝕。由于其沖擊韌性差,較脆,故不宜在有機械振動、溫度變化大的情況下使用,一般用于溫度為 -30~130℃、壓力 <0.6MPa 的工況。
2)硬聚氯乙烯管:硬聚氯乙烯管對不同濃度的大部分酸堿鹽類的溶液有較好的耐腐蝕性,但在 50%以上的硝酸及發煙硫酸中則不穩定。其傳熱系數低、塑性好,不過其強度差,且只有在 60℃ 以下時才能保持適當強度,用于壓力 <0.6MPa 的工況。
3)石墨管:石墨管具有良好的耐腐蝕性,且熱脹系數小,不污染介質,但其較脆,強度低,適用于溫度 <150℃、壓力 <0.3MPa 的工況。
4)耐酸陶瓷管:耐酸陶瓷管具有良好的耐腐蝕性、不滲透性。但它耐溫度驟變性差、強度差、強度低、不宜用于劇毒或易燃易爆介質,一般用于溫度 <120℃、壓力為常壓的工況。
5)玻璃管:玻璃管對除氫氟酸外的酸類、稀堿及有機溶劑等具有良好的耐蝕性,但其抗拉強度低、常用于溫度 <120℃、壓力 <2.0MPa 的工況。
6)混凝土管:混凝土管分為預應力和自應力鋼筋混凝土管兩種。管口連接采用承插接口,用圓形截面的橡膠圈密封,適用于長距離輸送低壓水、氣等,一般用于壓力 <1.0MPa 的工況。
一般無縫鋼管由 10、20、Q295、Q345 牌號的鋼制造。按制造方法分為熱軋無縫鋼管和冷拔(軋)無縫管,熱軋鋼管的長度為 3000~12000mm。冷拔鋼管的長度為 3000~10500mm。輸送流體用無縫鋼管,常用規格見表 2-3。
2-2 管道管理的技術要求有哪些?
答:管道管理的技術要求是:
(1)建立管道的技術檔案與臺賬。管道檔案應包括圖樣、安裝驗收技術資料、維修記錄、運行時間統計表等。
(2)建立管道管理的規章制度。對壓力管道、使用單位應根據壓力管道技術標準、法規建立安全管理制度、操作者安全被訓制度、工藝生產造作制度、檢驗維護制度、事故管理制度及報廢更新制度等。
對于從事壓力管道、管件的設計、制造、安裝、維修、全面檢驗的單位,均須獲得有關部門頒發的許可證,方可從事相應的工作。
(3)生產管理。操作者應對使用的管道進行巡回檢查。內容包括:管道的零部件是否完整齊全;儀表、計量器具、信號聯鎖、各種安全裝置、自動調節裝置是否靈敏可靠;管道是否有泄漏、超溫、超壓、過冷、異常震動現象;管道支架是否牢固;各種螺栓是否緊固;防腐防凍設施是否完整有效;閥門操作機構的潤滑和防護是否符合要求等。
(4)維修管理。管道的維修管理應按 GB 50235—1997《工業金屬管道工程施工及驗收規范》的規定進行管理與驗收。
2-3 管道工程常用文字符號有哪些?
答:管道工程常用文字符號見表 2-7。
| 符號 | 名稱 | 符號 | 符號 | 名稱 | 符號 |
| 1 | 管子外徑 | Dw,dm | 37 | 熱量 | Q |
| 2 | 管子內徑 | Du,dn | 38 | 熱容 | C |
| 3 | 直徑 | D、d | 39 | 質量定壓熱容 | cp |
| 4 | 公稱直徑 | DN | 40 | 質量定容熱容 | cv |
| 5 | 管子半徑 | R、r | 41 | 設施溫度 | t、τ、θ |
| 6 | 彎曲半徑 | R | 42 | 熱力學溫度 | T |
| 7 | 壓力 | p | 43 | 溫差 | Δt、ΔT |
| 8 | 公稱壓力 | PN | 44 | 質量 | m |
| 9 | 應力 | σ | 45 | 密度 | ρ |
| 10 | 許用應力 | [σ] | 46 | 質量熱容比 | γ |
| 11 | 力矩 | M | 47 | 熔 | μ |
| 12 | 彎矩 | W | 48 | 運動粘度 | ν |
| 13 | 慣性矩 | J | 49 | 動力粘度 | μ |
| 14 | 截面系數 | W | 50 | 沿程阻力系數 | λ |
| 15 | 彈性流量 | E | 51 | 局部阻力系數 | ζ |
| 16 | 流速 | V、v、w | 52 | 雷諾數 | Re |
| 17 | 流量 | Q、q、L | 53 | 流量系數 | μ |
| 18 | 質量流量 | G | 54 | 謝才系數 | C |
| 19 | 揚程 | H | 55 | 線[膨]脹系數 | αt |
| 20 | 水頭損失 | H、h | 56 | 體[膨]脹系數 | αv |
| 21 | 水力坡度 | I、i | 57 | 力 | F |
| 22 | 水力半徑 | R | 58 | 加速度 | α |
| 23 | 功 | W(A) | 59 | 角速度 | ω |
| 24 | 功率 | P | 60 | 振幅 | A |
| 25 | 轉速 | N | 61 | 能(量) | E |
| 26 | 效率 | η | 62 | 熱導率 | λ |
| 27 | 平面角 | α、β、γ、θ、ø | 63 | 表面傳播系數 | α |
| 28 | 長度 | L、l | 64 | 傳熱系數 | Κ |
| 29 | 寬 | B、b | 65 | 熱阻 | R |
| 30 | 高 | H、h | 66 | 圍護結構熱惰性指標 | D |
| 31 | 厚度 | S、δ、t、T | 67 | 小時變化系數 | Kh |
| 32 | 面積 | A、S | 68 | 管道粗糙系數 | n、K |
| 33 | 容積 | V | 69 | 設計壓力 | P |
| 34 | 時間 | t | 70 | 試驗壓力 | Pτ、Pe |
| 35 | 周期 | T | 71 | 設計溫度下的許用壓力 | PA |
| 36 | 頻率 | f | 72 | 冷拉系數 | ε |
2-4 管道代號有哪些?
答:管道代號見表 2-8。
| 符號 | 名稱 | 符號 | 符號 | 名稱 | 符號 |
| 1 | 飽和蒸汽管 | S | 40 | 壓縮空氣管 | A |
| 2 | 過熱蒸汽管 | OS | 41 | 氧氣管 | OX |
| 3 | 生產蒸汽管 | PS | 42 | 液氧管 | LOX |
| 4 | 生活蒸汽管 | DS | 43 | 氮氣管 | N |
| 5 | 采暖蒸汽管 | HS | 44 | 液氮管 | LN |
| 6 | 伴熱蒸汽管 | TS | 45 | 氫氣管 | HY |
| 7 | 吹掃蒸汽管 | BLS | 46 | 氬氣管 | AB |
| 8 | 二次蒸汽管 | SS | 47 | 乙炔管 | AC |
| 9 | 廢蒸汽管 | WS | 48 | 二氧化碳管 | CD |
| 10 | 凝結水管(自流) | CW | 49 | 氣態丙烷管(液化石油氣) | PG |
| 11 | 凝結水管(壓力流) | CWP | 50 | 液態丙烷管(液化石油氣) | LPG |
| 12 | 采暖熱水供水管 | H | 51 | 煤氣管(不分類型) | G |
| 13 | 采暖熱水回水管 | HR | 52 | 高爐煤氣管 | BFG |
| 14 | 生產熱水管(循環自流) | PH | 53 | 焦爐煤氣管 | COG |
| 15 | 生產熱水管(循環壓力流) | PHP | 54 | 轉爐煤氣管 | LDG |
| 16 | 生活熱水供水管 | DH | 55 | 發生爐熱煤氣管 | HGG |
| 17 | 生活熱水回水管 | DHR | 56 | 發生爐冷煤氣管 | CGG |
| 18 | 給水管 | W | 57 | 發生爐水煤氣管 | WGG |
| 19 | 軟化水管 | SW | 58 | 混合煤氣管 | MIG |
| 20 | 除鹽水管 | DMW | 59 | 天然氣管 | NG |
| 21 | 循環水供水管 | CWS | 60 | 沼氣罐 | MG |
| 22 | 循環水回水管 | CWR | 61 | 空氣放空管 | V |
| 23 | 含酚熱循環水供水管 | HC | 62 | 氧氣放空管 | VOX |
| 24 | 含酚熱循環供水管 | HCR | 63 | 氫氣放空管 | VH |
| 25 | 含酚冷循環供水管 | CC | 64 | 氮氣放空管 | VN |
| 26 | 含酚冷循環回水管 | CCR | 65 | 氬氣放空管 | VAR |
| 27 | 循環管 | CP | 66 | 煤氣放空管 | VC |
| 28 | 配水管 | P | 67 | 二氧化碳放空管 | VCD |
| 29 | 排水管 | D | 68 | 乙炔放空管 | VAC |
| 30 | 生產排水管 | PD | 69 | 蒸汽放空管 | ES |
| 31 | 連續污水管 | CB | 70 | 供油管(不分類型) | O |
| 32 | 定期污水管 | PC | 71 | 回油管(不分類型) | OR |
| 33 | 溢水管 | OF | 72 | 煤油管 | KO |
| 34 | 補給水管 | M | 73 | 重油供油管 | HO |
| 35 | 鹽溶液管 | SA | 74 | 重油回油管 | HOR |
| 36 | 硫酸管 | SFA | 75 | 焦油罐 | T |
| 37 | 鹽酸管 | HA | 76 | 乳化液 | E |
| 38 | 堿溶液(氫氧化鈉)管 | SL | 77 | 汽油管 | GO |
| 39 | 膨脹管 | EXP | 78 | 機油管 | MO |
2-5 管道的公稱直徑是什么?
答:管道工程中,管子種類繁多,管子的大小通常用管外徑 D 和管內徑 d 表示,量度使用過程中,由于用途不一,需要多種直徑相應的管路附件(包括管件、閥門、法蘭等),這樣,管材和附件的直徑尺寸就相當多,就給制造、設計和施工造成了不便,為了能批量生產、降低成本、提高效益,使管子和管理附件具有通用性和互換性,必須對管子和管理附件實行標準化,而公稱直徑又是管道工程標準化重要內容。所謂公稱直徑就是各種管道元件的通用口徑,又稱公稱通徑、公稱口徑、公稱尺寸(現在國際上普遍使用公稱尺寸這一稱謂),用符號 DN 表示,DN 是用于管道系統元件的字母和數字組合的尺寸標識。它由字母 DN 和后跟無因次的整數數字組成。現行管道元件的公稱直徑按 GB/T 1047-2005 之規定,見表 2-9。
| DN6 | DN40 | DN200 | DN600 | DN1400 | DN2600 | DN4000 |
| DN8 | DN50 | DN250 | DN700 | DN1500 | DN2800 | |
| DN10 | DN65 | DN300 | DN800 | DN1600 | DN3000 | |
| DN15 | DN80 | DN350 | DN900 | DN1800 | DN3200 | |
| DN20 | DN100 | DN400 | DN1000 | DN2000 | DN3400 | |
| DN25 | DN125 | DN450 | DN1100 | DN2200 | DN3600 | |
| DN32 | DN150 | DN500 | DN1200 | DN2400 | DN3800 |
2-6 管道的公稱壓力、試驗壓力、工作壓力是什么?
答:公稱壓力、試驗壓力、工作壓力是:
(1)公稱壓力:制品在基準溫度下的耐壓強度稱為公稱壓力,用符號 PN 表示,PN 是與管道系統元件的力學性能和尺寸特性相關、用于參考的字母和數字組合的標識。它由字母 PN 和后跟無因次的數字組成。入公稱壓力為 1.0MPa,記為 PN10。由于制品的材料不同,其基準溫度也不同,鑄鐵和銅的基準溫度為 120℃,鋼的基準溫度為 200℃,合金鋼的基準溫度為 250℃。塑料制品的基準溫度為 20℃,制品在基準溫度下的耐壓強度接近常溫時的耐壓強度,故公稱壓力也接近常溫下材料的耐壓強度。管道的公稱壓力見表 2-10。
| DIN 系列 | ANSI 系列 |
| PN2.5 | PN20 |
| PN6 | PN50 |
| PN10 | PN110 |
| PN16 | PN150 |
| PN25 | PN260 |
| PN40 | PN420 |
| PN63 | |
| PN100 |
注:必要時允許選用其他的 PN 值。
(2)工作壓力:管子和管路附近在正常運行條件下所承受的壓力用符號 p 表 示,這個運行條件必須是指某一操作溫度,因而說明某制品的壓力工作應注明其工作溫度,通常是在 p 的下角附加數字,該數字是最高工作溫度除 10 所得的正式整數值,如介質的最高強度為 300℃,工作壓力為 10MPa,則記為 p3010MPa。
(3)試驗壓力:管道與管路附件在出廠前,必須進行壓力試驗,檢查其強度和密封性,對制品進行強度試驗的壓力稱為強度試驗壓力,用符號 ps 表示,如試驗壓力為 4MPa,記為 ps4MPa。從安全角度考慮,試驗壓力必須大于公稱壓力。
制品的公稱壓力按照他的定義是指基準溫度下的耐壓強度,但在很多情況下,制品并非在基準溫度下工作,隨著溫度的變化,制品的耐壓強度也跟著發生變化,所以隸屬于某一公稱壓力的制品,究竟能承受多大的工作壓力,要由介質的工作溫度決定,因此就需要知道制品在不同的工作溫度下公稱壓力和工作壓力的關系。為此,必須通過強度計算找出制品的耐壓強度與溫度之間的變化規律。在工程實踐中,通常是按照制品的最高耐溫界限,把工作溫度分為若干等級,并計算每個溫度等級下制品的允許的工作壓力。例如:用優質碳素鋼制造的制品,工作溫度分為 11 個等級,在每一個工作溫度等級下,列出在該溫度等級下的工作壓力,見表 2-11。
| 序號 | 溫度等級 | 溫度范圍/℃ | 最大工作壓力 | 序號 | 溫度等級 | 溫度范圍/℃ | 最大工作壓力 |
| 1 | 1 | 0~200 | 1PN | 7 | 7 | 351~375 | 0.67PN |
| 2 | 2 | 201~250 | 0.92PN | 8 | 8 | 376~400 | 0.64PN |
| 3 | 3 | 251~275 | 0.86PN | 9 | 9 | 401~425 | 0.55PN |
| 4 | 4 | 276~300 | 0.81PN | 10 | 10 | 426~435 | 0.50PN |
| 5 | 5 | 301~325 | 0.75PN | 11 | 11 | 436~450 | 0.45PN |
| 6 | 6 | 326~350 | 0.71PN |
其他材料的制品,同樣可以分成不同的溫度等級并計算出在每一個工作溫度下所承受的最大工作壓力。這樣我們可以制定出各種制品的公稱壓力、工作溫度和最大工作壓力的換算關系。編織成便于應用的表格,以便按照制品的公稱壓力和介質的工作溫度來確定所允許承受的最大工作壓力,或者按照介質的工作壓力來選擇管材和管路附件。表 2-12、表 2-13、表 2-14分別列出了碳鋼及合金鋼制件、鑄鐵制件、銅制件的公稱壓力、工作壓力、工作溫度和最大工作壓力的關系。這些表稱為制件的溫壓表。在選擇管材、管路附件是經常用到。
| 材料 | 介質工作溫度/℃ | |||||||||||||||
| Q235A,Q235A·F | ≤200 | 250 | 275 | 300 | 325 | 350 | ||||||||||
| 10,20,25,35,20g | ≤200 | 250 | 275 | 300 | 325 | 350 | 375 | 400 | 425 | 435 | 450 | |||||
| 16Mn,ZG20Mn | ≤200 | 300 | 325 | 350 | 375 | 400 | 410 | 415 | 425 | 435 | 440 | 450 | ||||
| 15MnV | ≤250 | 300 | 350 | 375 | 400 | 410 | 420 | 430 | 440 | 450 | ||||||
| 12~15MnMoV,16Mo | ≤250 | 350 | 400 | 425 | 450 | 460 | 470 | 480 | 490 | 500 | 510 | 520 | ||||
| 12CrMo,15CrMo | ≤250 | 350 | 400 | 425 | 450 | 460 | 470 | 480 | 490 | 500 | 510 | 520 | 525 | 530 | 535 | 540 |
| Cr5Mo | ≤250 | 350 | 400 | 425 | 450 | 475 | 480 | 490 | 500 | 505 | 515 | 525 | 535 | 540 | 545 | 550 |
| 12CrlMoV,12MoVWBSiRe | ≤250 | 350 | 400 | 425 | 450 | 475 | 500 | 510 | 520 | 530 | 540 | 550 | 560 | 570 | 580 | |
| 12CrMoWVB | ≤250 | 350 | 400 | 425 | 450 | 475 | 500 | 520 | 540 | 560 | 570 | 580 | 590 | 595 | 600 | |
| 1Cr18Ni9Ti,Cr18Ni12Mo2N | ≤250 | 350 | 400 | 425 | 450 | 475 | 500 | 525 | 545 | 560 | 580 | 600 | 610 | 620 | 630 | 635 |
| 0Cr13,1Cr13,2Cr13 | ≤250 | 300 | 375 | 400 | ||||||||||||
| 公稱壓力 PN/MPa | 最大工作壓力/MPa | |||||||||||||||
| 0.1 | 0.1 | 0.09 | 0.09 | 0.08 | 0.08 | 0.07 | 0.07 | 0.06 | 0.06 | 0.06 | 0.05 | 0.04 | 0.04 | 0.04 | 0.03 | 0.03 |
| 0.25 | 0.25 | 0.23 | 0.21 | 0.2 | 0.19 | 0.18 | 0.17 | 0.16 | 0.15 | 0.14 | 0.12 | 0.11 | 0.1 | 0.09 | 0.08 | 0.07 |
| 0.6 | 0.6 | 0.55 | 0.51 | 0.48 | 0.45 | 0.43 | 0.4 | 0.38 | 0.36 | 0.33 | 0.3 | 0.27 | 0.24 | 0.21 | 0.19 | 0.18 |
| 1.0 | 1.0 | 0.92 | 0.86 | 0.81 | 0.75 | 0.71 | 0.67 | 0.61 | 0.60 | 0.55 | 0.5 | 0.45 | 0.40 | 0.36 | 0.32 | 0.3 |
| 1.6 | 1.6 | 1.5 | 1.4 | 1.3 | 1.2 | 1.1 | 1.05 | 1.0 | 0.95 | 0.9 | 0.8 | 0.7 | 0.64 | 0.60 | 0.50 | 0.48 |
| 2.5 | 2.5 | 2.3 | 2.1 | 2.0 | 1.9 | 1.8 | 1.7 | 1.6 | 1.5 | 1.4 | 1.2 | 1.1 | 1.0 | 0.90 | 0.80 | 0.75 |
| 材料 | 介質工作溫度/℃ | |||||||||||||||
| Q235A,Q235A·F | ≤200 | 250 | 275 | 300 | 325 | 350 | ||||||||||
| 10,20,25,35,20g | ≤200 | 250 | 275 | 300 | 325 | 350 | 375 | 400 | 425 | 435 | 450 | |||||
| 16Mn,ZG20Mn | ≤200 | 300 | 325 | 350 | 375 | 400 | 410 | 415 | 425 | 435 | 440 | 450 | ||||
| 15MnV | ≤250 | 300 | 350 | 375 | 400 | 410 | 420 | 430 | 440 | 450 | ||||||
| 12~15MnMoV,16Mo | ≤250 | 350 | 400 | 425 | 450 | 460 | 470 | 480 | 490 | 500 | 510 | 520 | ||||
| 12CrMo,15CrMo | ≤250 | 350 | 400 | 425 | 450 | 460 | 470 | 480 | 490 | 500 | 510 | 520 | 525 | 530 | 535 | 540 |
| Cr5Mo | ≤250 | 350 | 400 | 425 | 450 | 475 | 480 | 490 | 500 | 505 | 515 | 525 | 535 | 540 | 545 | 550 |
| 12CrlMoV,12MoVWBSiRe | ≤250 | 350 | 400 | 425 | 450 | 475 | 500 | 510 | 520 | 530 | 540 | 550 | 560 | 570 | 580 | |
| 12CrMoWVB | ≤250 | 350 | 400 | 425 | 450 | 475 | 500 | 520 | 540 | 560 | 570 | 580 | 590 | 595 | 600 | |
| 1Cr18Ni9Ti,Cr18Ni12Mo2N | ≤250 | 350 | 400 | 425 | 450 | 475 | 500 | 525 | 545 | 560 | 580 | 600 | 610 | 620 | 630 | 635 |
| 0Cr13,1Cr13,2Cr13 | ≤250 | 300 | 375 | 400 | ||||||||||||
| 公稱壓力 PN/MPa | 最大工作壓力/MPa | |||||||||||||||
| 4.0 | 4.0 | 3.7 | 3.4 | 3.2 | 3.0 | 2.8 | 2.7 | 2.5 | 2.4 | 2.2 | 2.0 | 1.8 | 1.6 | 1.4 | 1.3 | 1.2 |
| 6.4 | 6.4 | 5.9 | 5.5 | 5.2 | 4.9 | 4.6 | 4.4 | 4.1 | 3.8 | 3.5 | 3.2 | 2.8 | 2.5 | 2.3 | 2.0 | 1.9 |
| 10.0 | 10.0 | 9.02 | 8.6 | 8.1 | 7.6 | 7.2 | 6.8 | 6.4 | 6.0 | 5.6 | 5.0 | 4.5 | 4.0 | 3.6 | 3.2 | 3.0 |
| 16.0 | 16.0 | 14.7 | 13.7 | 13.0 | 12.1 | 11.5 | 10.8 | 10.2 | 9.6 | 9.0 | 8.0 | 7.2 | 6.4 | 5.7 | 5.1 | 4.8 |
| 20.0 | 20.0 | 18.4 | 17.2 | 16.2 | 15.2 | 14.4 | 13.6 | 12.8 | 12.0 | 11.2 | 10.2 | 9.0 | 8.0 | 7.2 | 6.4 | 6.0 |
| 22.0 | 22.0 | 20.2 | 18.9 | 17.8 | 16.7 | 15.8 | 15.0 | 14.0 | 13.2 | 12.3 | 11.0 | 9.9 | 8.8 | 7.9 | 7.0 | 6.6 |
| 25.0 | 25.0 | 23.0 | 21.5 | 20.2 | 19.0 | 18.0 | 17.0 | 16.0 | 15.0 | 14.0 | 12.5 | 11.2 | 10.0 | 9.0 | 8.0 | 7.5 |
| 32.0 | 32.0 | 29.4 | 27.5 | 25.9 | 24.3 | 23.0 | 21.7 | 20.5 | 19.2 | 17.9 | 16.0 | 14.4 | 12.8 | 11.5 | 10.2 | 9.6 |
| 材料名稱 | 介質工作溫度/℃ | |||||
| 灰鑄鐵及可鍛鑄鐵 | ≤120 | 200 | 250 | 300 | ||
| 耐酸硅鑄鐵 | ≤120 | |||||
| 球墨鑄鐵 | ≤120 | 200 | 250 | 300 | 350 | 375 |
| 公稱壓力 PN/MPa | 最大工作壓力/MPa | |||||
| 0.1 | 0.1 | 0.1 | 0.1 | 0.1 | 0.08 | 0.07 |
| 0.25 | 0.25 | 0.25 | 0.2 | 0.2 | 0.19 | 0.16 |
| 0.6 | 0.6 | 0.55 | 0.5 | 0.5 | 0.45 | 0.42 |
| 1.0 | 1.0 | 0.9 | 0.8 | 0.8 | 0.75 | 0.7 |
| 1.6 | 1.6 | 1.5 | 1.4 | 1.3 | 1.2 | 1.0 |
| 2.5 | 2.5 | 2.3 | 2.1 | 2.0 | 1.8 | 1.6 |
| 4.0 | 4.0 | 3.6 | 3.4 | 3.2 | 3.2 | 2.8 |
| 公稱壓力 PN/MPa | 介質工作溫度/℃ | 公稱壓力 PN/MPa | 介質工作溫度/℃ | |||
| ≤120 | 160 | 200 | 250 | ≤120 | ||
| 最大工作壓力/MPa | 最大工作壓力/MPa | |||||
| 0.1 | 0.1 | 0.1 | 0.1 | 0.07 | 6.4 | 6.4 |
| 0.25 | 0.25 | 0.22 | 0.2 | 0.17 | 10.0 | 10.0 |
| 0.6 | 0.6 | 0.55 | 0.5 | 0.4 | 16.0 | 16.0 |
| 1.0 | 1.0 | 0.9 | 0.8 | 0.7 | 20.0 | 20.0 |
| 1.6 | 1.6 | 1.4 | 1.3 | 1.1 | 25.0 | 25.0 |
| 2.5 | 2.5 | 2.2 | 2.0 | 1.7 | ||
| 4.0 | 4.0 | 3.6 | 3.2 | 2.7 | ||
2-7 管道維修主要內容有哪些?
答:為了確保管道運行有條不紊,動能供應經濟安全,必須對各種管道在投入運行前進行一系列的檢查和試驗,同時對已投入運行的管道進行定期維修。管道維修主要包括下列內容:動力管道修理順序、修理內容、試壓規定以及動力管道大修和檢查竣工驗收等。
2-8 管道的維修程序有哪些?
答:管道的維修程序如下:
